SP1485E 20Mbps Half-Duplex RS-485 Transceivers with +/-15KV ESD

The SP1481E and the SP1485E are a family of half-duplex transceivers that meet the specifications of RS-485 and RS-422 serial protocols with enhanced ESD performance. The ESD tolerance has been improved on these devices to over +15KV for both Human Body Model and IEC1000-4-2 Air Discharge Method. These devices are pin-to-pin compatible with Exar's SP481 and SP485 devices as well as popular industry standards. As with the original versions, the SP1481E and the SP1485E feature Exar's BiCMOS design allowing low power operation without sacrificing performance. The SP1481E and SP1485E meet the requirements of the RS-485 and RS-422 protocols up to 20Mbps under load. The SP1481E is equipped with a low power Shutdown mode.

技术特性
  • 5V Only
  • Low Power BiCMOS
  • Driver/Receiver Enable for Multi-Drop configurations
  • Enhanced ESD Specifications:
    • ± 15KV Human Body Model
    • ± 15KV IEC1000-4-2 Air Discharge
    • ± 8KV IEC1000-4-2 Contact Discharge
应用领域 APPLICATION
  • Diagnostic/Serial ports on embedded applications
  • Handheld Test Equipment
  • PC related Peripherals and Equipment
  • Battery Powered Equipment
  • Point-of-sale Equipment
  • Set-top Box
订购信息 Ordering Information
器件型号 有害物质限制 最低温度 最高温度 状态 立刻购买 申请样片
SP1485ECN-L 0 70 Active
SP1485ECN-L/TR 0 70 Active
SP1485EEN-L -40 85 Active
SP1485EEN-L/TR -40 85 Active
SP1485EMN-L -40 125 Active
SP1485EMN-L/TR -40 125 Active
技术指标
电源电压Vcc(V) 5
发送器数量(Tx) 1
接收器数量(Rx) 1
双工 Half
数据传输速率(kbps) 20000
静电放电ESD(KV) 15
接收开路故障防护 Yes
接收短路故障防护 No
关断 True
多点节点 32
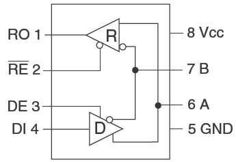
功能框图 Functional Block Diagram

SP1485E 功能框图

应用技术支持与电子电路设计开发资源下载 版本信息 大小
SP1485E 数据资料DataSheet下载:pdf Rev.V2 2 页