SP211 5V, 4发/5收RS-232, 带关断

The SP206, SP207, SP208 and SP211 are multi-channel RS-232 line transceivers in a variety of configurations to fit most communication needs. All models in this series feature low-power CMOS construction and Exar Patented (5,306,954) on-board charge pump circuitry to generate the +/-10V RS-232 voltage levels, using 0.1μF charge pump capacitors to save board space and reduce circuit cost. The SP206 and SP211 models feature a low-power shutdown mode which reduces power sup- ply drain to 1 μA.

技术特性
  • 0.1µF外接电荷泵电容
  • 120kbps 通信速率
  • 标准的 SOIC 和SSOP 封装
  • 多路收发器
  • 工作电源:+5V
  • 1µA 关断模式
  • 关断唤醒
  • 3态接收器输出
  • 符合所有RS-232D和ITU V.28规范
  • 为鼠标应用改善的发送器输出能力
  • ±10kV ESD 人体放电模式
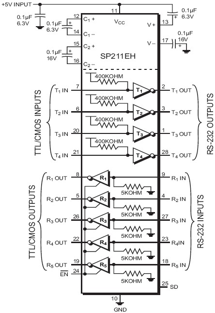
功能框图 Functional Block Diagram

SP211 功能框图

技术指标
发送器数量(Tx) 4
接收器数量(Rx) 5
数据传输速率(kbps) 120
静电放电ESD(KV) 2
最低电源电压Vcc(V) 4.5
最高电源电压Vcc(V) 5.5
电源电压Vcc(V) 5
内置电荷泵
外部电容器数量 4
额定电容值(µF) 0.1
关断 True
TTL 三态
应用领域 APPLICATION
  • Data Communication Networks
  • Telecommunication Equipment
  • Secured Data Communication
  • CSU and DSU
  • Data Routers
  • Network Switches
  • WAN Access Equipment
  • VoIP-BX Gateways
订购信息 Ordering Information
器件型号 有害物质限制 最低温度 最高温度 状态 立刻购买 申请样片
SP211EA-L -40 85 运行
SP211EA-L/TR -40 85 运行
SP211EA -40 85 运行
SP211EA/TR -40 85 运行
SP211ET-L -40 85 运行
SP211ET-L/TR -40 85 运行
SP211ET -40 85 运行
SP211ET/TR -40 85 运行
SP211CA-L 0 70 运行
SP211CA-L/TR 0 70 运行
SP211CA 0 70 运行
SP211CA/TR 0 70 运行
SP211CT-L 0 70 运行
SP211CT-L/TR 0 70 运行
SP211CT 0 70 运行
SP211CT/TR 0 70 运行
应用技术支持与电子电路设计开发资源下载 版本信息 大小
SP211 数据资料DataSheet下载:pdf Rev.V2 2 页