SP211EH 460kbps,4发/5收, RS-232, 关断功能,+/-15KVESD

The SP208EH/211EH/213EH devices are high speed enhanced multi-channel RS-232 line transceivers with improved electrical performance. The SP208EH/211EH/213EH series is a superior drop-in replacement to our previous versions as well as popular industry standards. All devices feature very low power CMOS construction and the Exar-patented (5,306,954) on-board charge pump circuitry that generates the +/-10V RS-232 voltage levels using 0.1μF charge pump capacitors. The SP211EH and SP213EH devices feature a low-power shutdown mode, which reduces power supply drain to 1μA. Enhancements to this series include a higher transmission rate of 500kbps, a lower power supply current at 3mA typical (no load), and superior ESD performance. The ESD tolerance has been improved for this series to over +/-15kV for both Human Body Model and IEC61000-4-2 Air Discharge test methods.

技术特性
  • 单操作电压:+5V
  • 0.1μF的外部电荷泵电容器
  • 500kbps的数据传输速率负荷
  • 标准SOIC和SSOP足迹
  • 低电源电流大于竞争者(典型3uA)
  • 1µA关断模式
  • 唤醒功能在关机模式
  • 3态收发器
  • 主要给高速的RS - 232接口的应用
  • 改善ESD规格:
    • ±15KV人体模式
    • ±15KV IEC1000-4-2气隙放电
    • ±8KV IEC1000-4-2接触放电
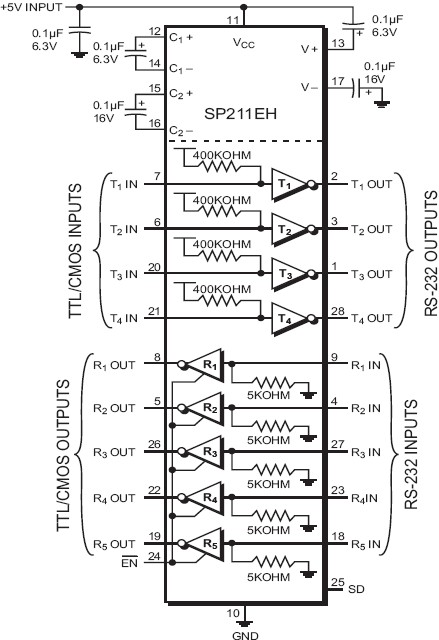
功能框图 Functional Block Diagram

SP211EH 功能框图

技术指标
发送器数量(Tx) 4
接收器数量(Rx) 5
数据传输速率(kbps) 460
静电放电ESD(KV) 15
最低电源电压Vcc(V) 4.5
最高电源电压Vcc(V) 5.5
电源电压Vcc(V) 5
内置电荷泵
外部电容器数量 4
额定电容值(µF) 0.1
关断 True
TTL 三态
应用领域 APPLICATION
  • Data Communication Networks
  • Telecommunication Equipment
  • Secured Data Communication
  • CSU and DSU
  • Data Routers
  • Network Switches
  • WAN Access Equipment
  • VoIP-BX Gateways
订购信息 Ordering Information
器件型号 有害物质限制 最低温度 最高温度 状态 立刻购买 申请样片
SP211EHEA-L -40 85 运行
SP211EHEA-L/TR -40 85 运行
SP211EHEA -40 85 运行
SP211EHEA/TR -40 85 运行
SP211EHET-L -40 85 运行
SP211EHET-L/TR -40 85 运行
SP211EHET -40 85 运行
SP211EHET/TR -40 85 运行
SP211EHCA-L 0 70 运行
SP211EHCA-L/TR 0 70 运行
SP211EHCA 0 70 运行
SP211EHCA/TR 0 70 运行
SP211EHCT-L 0 70 运行
SP211EHCT-L/TR 0 70 运行
SP211EHCT 0 70 运行
SP211EHCT/TR 0 70 运行
应用技术支持与电子电路设计开发资源下载 版本信息 大小
SP211EH 数据资料DataSheet下载:pdf Rev.V2 2 页