SP3485 3.3V低功耗半双工RS-485收发器,10Mbps数据传输速率

The SP3481 and the SP3485 are a family of +3.3V low power half-duplex transceivers that meet the specifications of the RS-485 and RS-422 serial protocols. These devices are pin-to- pin compatible with the Exar SP481, SP483, and SP485 devices as well as popular industry standards. The SP3481 and the SP3485 feature Exar's BiCMOS process, allowing low power operation without sacrificing performance. The SP3481 and SP3485 meet the electrical specifications of RS-485 and RS-422 serial protocols up to 10Mbps under load. The SP3481 is equipped with a low power Shutdown mode.

技术特性
  • RS-485 and RS-422 Transceivers
  • Operates from a single +3.3V supply
  • Interoperable with +5.0V logic
  • Driver/Receiver Enable
  • -7V to +12V Common-Mode Input Voltage Range
  • Allows up to 32 transceivers on the serial bus
  • Compatibility with the industry standard 75176 pinout
  • Driver Output Short-Circuit Protection
订购信息 Ordering Information
器件型号 有害物质限制 最低温度 最高温度 状态 立刻购买 申请样片
SP3485EN-L -40 85 运行
SP3485EN/TR -40 85 运行
SP3485EN -40 85 运行
SP3485EP-L -40 85 运行
SP3485EP -40 85 运行
SP3485EN-L/TR -40 85 运行
SP3485CN-L 0 70 运行
SP3485CN/TR 0 70 运行
SP3485CN 0 70 运行
SP3485CP-L 0 70 运行
SP3485CP 0 70 运行
SP3485CN-L/TR 0 70 运行

 

技术指标
电源电压Vcc(V) 3.3
发送器数量(Tx) 1
接收器数量(Rx) 1
双工
数据传输速率(kbps) 10000
静电放电ESD(KV) 2
典型关断集成元件电路(µA) 10
接收开路故障防护
接收短路故障防护
关断
多点节点 32
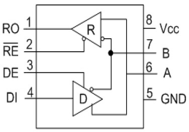
功能框图 Functional Block Diagram

SP3485 功能框图

应用技术支持与电子电路设计开发资源下载 版本信息 大小
SP3485 数据资料DataSheet下载:pdf Rev.V2 2 页