SP3494 3.3V,限斜率,RS-485/RS-422,2.5Mbps,半双工

The SP3494 device is a +3.3V low power half-duplex transceiver that meets the specifications of the RS-485 and RS-422 serial protocols. This device is pin-to-pin compatible with the Exar SP3481device as well as other popular industry standards. The SP3494 features the Exar BiCMOS process, allowing low power operation without sacrificing performance. The partially slew-rate limited drivers minimize EMI and reduce reflections caused by improperly terminated cables allowing error-free data transmission.The SP3494 is a half-duplex partially slew-rate limited transceiver that will deliver a data transmission rate up to 2.5Mbps. The SP3494 is equipped with a low-power shutdown mode and driver/receiver high-Z enable lines.

技术特性
  • Operates From A Single +3.3V Supply
  • Interoperable With +5V Logic
  • ±200mV Receiver Input Sensitivity
  • -7V to +12V Common-Mode Input Voltage Range
  • Devices Allow Up To 32 Transceivers On The Serial Bus
  • Driver/Receiver Enable Lines
  • 2nA Low-Power Shutdown Mode
  • Compatible With MAX3486 and 75176 Industry Standard Pinouts
订购信息 Ordering Information
器件型号 有害物质限制 最低温度 最高温度 状态 立刻购买 申请样片
SP3494EN-L -40 85 运行
SP3494EN/TR -40 85 运行
SP3494EN -40 85 运行
SP3494EP-L -40 85 运行
SP3494EP -40 85 运行
SP3494EN-L/TR -40 85 运行
SP3494CN-L 0 70 运行
SP3494CN/TR 0 70 运行
SP3494CN 0 70 运行
SP3494CP-L 0 70 运行
SP3494CP 0 70 运行
SP3494CN-L/TR 0 70 运行
技术指标
电源电压Vcc(V) 3.3
发送器数量(Tx) 1
接收器数量(Rx) 1
双工
数据传输速率(kbps) 2500
静电放电ESD(KV) 2
典型关断集成元件电路(µA) 10
接收开路故障防护
接收短路故障防护
关断
多点节点 32
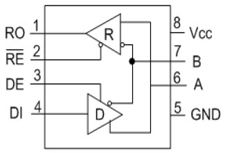
功能框图 Functional Block Diagram

SP3494 功能框图

应用技术支持与电子电路设计开发资源下载 版本信息 大小
SP3494 数据资料DataSheet下载:pdf Rev.V2 2 页