SP483 低功耗半双工RS-485收发器
The SP483 and SP485 are a family of half-duplex transceivers that meet the specifications of RS-485 and RS-422. Their BiCMOS design allows low power operation without sacrificing performance. The SP485 meets the requirements of RS-485 and RS-422 up to 5Mbps. Additionally, the SP483 is equipped with a low power Shutdown mode. The SP483 is internally slew rate limited to reduce EMI and can meet the requirements of RS-485 and RS-422 up to 250kbps.
技术特性
- +5V Only
- Low Power BiCMOS
- Driver/Receiver Enable for Multi-Drop configurations
- ESD Specifications:
- ±2KV Human Body Model
- ±2KV IEC1000-4-2 Air Discharge
- ±2KV IEC1000-4-2 Contact Discharge
- Low EMI Transceiver limited to 250kbps
- For enhanced ESD specifications, see the SP483E
订购信息 Ordering Information
| 器件型号 |
有害物质限制 |
最低温度 |
最高温度 |
状态 |
申请样片 |
| SP483EN-L |
|
-40 |
85 |
Active |
|
| SP483EN-L/TR |
|
-40 |
85 |
Active |
|
| SP483EN |
|
-40 |
85 |
EOL |
|
| SP483EN/TR |
|
-40 |
85 |
EOL |
|
| SP483ES-L |
|
-40 |
85 |
OBS |
|
| SP483ES |
|
-40 |
85 |
运行 |
|
| SP483CN-L |
|
0 |
70 |
运行 |
|
| SP483CN/TR |
|
0 |
70 |
运行 |
|
| SP483CN |
|
0 |
70 |
运行 |
|
| SP483CS-L |
|
0 |
70 |
运行 |
|
| SP483CS |
|
0 |
70 |
运行 |
|
| SP483CN-L/TR |
|
0 |
70 |
运行 |
|
技术指标
| 电源电压Vcc(V) |
5 |
| 发送器数量(Tx) |
1 |
| 接收器数量(Rx) |
1 |
| 双工 |
半 |
| 数据传输速率(kbps) |
250 |
| 静电放电ESD(KV) |
2 |
| 典型关断集成元件电路(µA) |
1 |
| 接收开路故障防护 |
是 |
| 接收短路故障防护 |
否 |
| 关断 |
是 |
| 多点节点 |
32 |
应用领域 APPLICATION
- Motor Control
- Building Automation
- Security Systems
- Remote Meter Reading
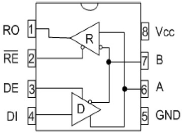
功能框图 Functional Block Diagram

|