SP491 全双工RS-485收发器

The SP490 is a low power differential line driver/receiver meeting RS-485 and RS-422 standards up to 5Mbps. The SP491 is identical to the SP490 with the addition of driver and receiver tri-state enable lines. Both products feature ±200mV receiver input sensitivity, over wide common mode range. The SP490 is available in 8-pin plastic DIP and 8-pin NSOIC packages for operation over the commercial and industrial temperature ranges. The SP491 is available in 14-pin DIP and 14-pin NSOIC packages for operation over the commercial and industrial temperature ranges.

技术特性
  • +5V单电源电压工作
  • 低功耗BiCMOS
  • 驱动器/接收器使能(SP491)
  • RS-485和RS-422驱动器/接收器
  • 与LTC491和SN75180管脚兼容
应用领域 APPLICATION
  • Motor Control
  • Building Automation
  • Security Systems
  • Remote Meter Reading
订购信息 Ordering Information
器件型号 有害物质限制 最低温度 最高温度 状态 申请样片
SP491EN-L -40 85 运行
SP491EN/TR -40 85 运行
SP491EN -40 85 运行
SP491ES-L -40 85 OBS
SP491ES -40 85 运行
SP491EN-L/TR -40 85 运行
SP491CN-L 0 70 运行
SP491CN/TR 0 70 运行
SP491CN 0 70 运行
SP491CS-L 0 70 运行
SP491CS 0 70 运行
SP491CN-L/TR 0 70 运行
技术指标
电源电压Vcc(V) 5
发送器数量(Tx) 1
接收器数量(Rx) 1
双工
数据传输速率(kbps) 5000
静电放电ESD(KV) 2
接收开路故障防护
接收短路故障防护
关断
多点节点 32
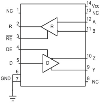
功能框图 Functional Block Diagram

SP491 功能框图

应用技术支持与电子电路设计开发资源下载 版本信息 大小
SP491 数据资料DataSheet下载:pdf Rev.V2 2 页