LT1204 4-Input Video Multiplexer with 75MHz Current Feedback Amplifier
The LT®1204 is a 4-input video multiplexer designed to drive 75 ohms cables and easily expand into larger routing systems. Wide bandwidth, high slew rate, and low differential gain and phase make the LT1204 ideal for broadcast quality signal routing. Channel separation and disable isolation are greater than 90dB up to 10MHz. The channel-to-channel output switching transient is only 40mVP-P, with a 50ns duration, making the transition imperceptible on high quality monitors. A unique feature of the LT1204 is its ability to expand into larger routing matrices. This is accomplished by a patent pending circuit that bootstraps the feedback resistors in the disable condition, raising the true output impedance of the circuit. The effect of this feature is to eliminate cable misterminations in large systems. The large input and output signal levels supported by the LT1204 when operated on ±15V supplies make it ideal for general purpose analog signal selection and multiplexing. A shutdown feature reduces the supply current to 1.5mA
产品特点 Features
- 0.1dB Gain Flatness > 30MHz
- Channel Separation at 10MHz: 90dB
- Input 40mV Switching Transient, Input Referred
- �3dB Bandwidth, AV = 2, RL = 150 ohms: 75MHz
- Channel-to-Channel Switching Time: 120ns
- Easy to Expand for More Inputs
- Large Input Range: ±6V
- 0.04% Differential Gain, RL = 150 ohms
- 0.06� Differential Phase, RL = 150 ohms
- High Slew Rate: 1000V/µs
- Output Swing, RL = 400 ohms: ±13V
- Wide Supply Range: ±5V to ±15V
参数
 |
应用
- Broadcast Quality Video Multiplexing
- Large Matrix Routing
- Medical Imaging
- Large Amplitude Signal Multiplexing
- Programmable Gain Amplifiers
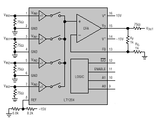
典型应用图
 |
LT1204 订购信息和价格参考Package Variations and Pricing
| 器件型号 |
封装 |
引脚 |
温度 |
价格 (以 1 ~ 99 片为批量) |
价格 (以 1000 片为批量) * |
| LT1204CN |
PDIP |
16 |
C |
$6.00 |
$4.80 |
| LT1204CN#PBF |
PDIP |
16 |
C |
$6.00 |
$4.80 |
| LT1204CSW |
SO |
16 |
C |
$6.50 |
$5.25 |
| LT1204CSW#PBF |
SO |
16 |
C |
$6.50 |
$5.25 |
| LT1204CSW#TR |
SO |
16 |
C |
|
$5.31 |
| LT1204CSW#TRPBF |
SO |
16 |
C |
|
$5.31 |
LT1204 数据手册及相关资料下载
- 数据手册(英文) : LT1204 - 4-Input Video Multiplexer with 75MHz Current Feedback Amplifier.PDF
- 应用指南 (英文) : AN57 - Video Circuit Collection
.PDF
- 设计要点 (英文) : DN79 - Single 4-Input IC Gives Over 90dB Crosstalk Rejection at10MHz and is Expandable.PDF
- 可靠性数据 : R164 Reliability Data .PDF
- LT Journal : Nov 1998 250MHz RGB Video Multiplexer in Space-Saving Package Drives Cables, Switches Pixels at 100MHz.PDF