LT1999-50 高电压、双向电流检测放大器

LT®1999 是一款高速、精准的电流检测放大器,专为在一个宽共模范围内监视双向电流而设计。LT1999 可提供三种增益选项:10V/V、20V/V 和 50V/V。

LT1999 通过一个外部阻性分路器来检测电流,并产生一个输出电压,可指示检出电流的数值和方向。输出电压以位于电源电压与地之间的中间电压为参考电位,或者也可以采用一个外部电压来设定参考电平。LT1999 具有一个 2MHz 带宽和一个 -5V 至 80V 的共模输入范围,因而适合于监视 H 桥电机控制器中的电流、开关电源、螺线管电流、以及电池充电电流 (从满充电至电量耗尽)。

LT1999 采用一个独立的 5V 工作电源,并吸收 1.55mA 电流。该器件提供了一种停机模式以最大限度地降低功耗。

LT1999 采用 8 引脚 MSOP 封装或 SOP 封装。

产品特点 Features
  • 具三种增益选项的缓冲输出: 
               10V/V、20V/V、50V/V
  • 增益准确度:0.5% (最大值)
  • 输入共模电压范围:-5V 至 80V
  • AC CMRR > 80dB (在 100kHz)
  • 输入失调电压:1.5mV (最大值)
  • -3dB 带宽:2MHz
  • 在整个共模范围内实现了平滑、连续的运作
  • 可容许 4kV HBM 和 1kV CDM
  • 低功率停机模式:<10μA
  • -55°C 至 150°C 工作温度范围
  • 8 引脚 MSOP 封装和 8 引脚 SO (窄体) 封装
封装
LT1999-50 封装LT1999-50 封装
应用
  • 高端或低端电流检测
  • H 桥电机控制
  • 螺线管电流检测
  • 高电压数据采集
  • PWM 控制环路
  • 熔丝 / MOSFET 监视
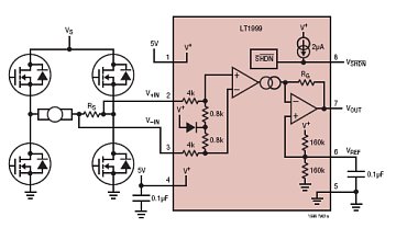
典型应用图
LT1999-50 典型应用
参数
LT1999-50 参数
LT1999-50 订购信息和价格参考Package Variations and Pricing
器件型号 封装 引脚 温度 价格 (以 1 ~ 99 片为批量) 价格 (以 1000 片为批量) *
LT1999CMS8-10#PBF MSOP 8 C $2.69  $1.92 
LT1999CMS8-10#TRPBF MSOP 8 C $2.75  $1.98 
LT1999CMS8-20#PBF MSOP 8 C $2.69  $1.92 
LT1999CMS8-20#TRPBF MSOP 8 C $2.75  $1.98 
LT1999CMS8-50#PBF MSOP 8 C $2.69  $1.92 
LT1999CMS8-50#TRPBF MSOP 8 C $2.75  $1.98 
LT1999CS8-10#PBF SO 8 C $2.69  $1.92 
LT1999CS8-10#TRPBF SO 8 C $2.75  $1.98 
LT1999CS8-20#PBF SO 8 C $2.69  $1.92 
LT1999CS8-20#TRPBF SO 8 C $2.75  $1.98 
LT1999CS8-50#PBF SO 8 C $2.69  $1.92 
LT1999CS8-50#TRPBF SO 8 C $2.75  $1.98 
LT1999HMS8-10#PBF MSOP 8 H $3.52  $2.51 
LT1999HMS8-10#TRPBF MSOP 8 H $3.58  $2.57 
LT1999HMS8-20#PBF MSOP 8 H $3.52  $2.51 
LT1999HMS8-20#TRPBF MSOP 8 H $3.58  $2.57 
LT1999HMS8-50#PBF MSOP 8 H $3.52  $2.51 
LT1999HMS8-50#TRPBF MSOP 8 H $3.58  $2.57 
LT1999HS8-10#PBF SO 8 H $3.52  $2.51 
LT1999HS8-10#TRPBF SO 8 H $3.58  $2.57 
LT1999HS8-20#PBF SO 8 H $3.52  $2.51 
LT1999HS8-20#TRPBF SO 8 H $3.58  $2.57 
LT1999HS8-50#PBF SO 8 H $3.52  $2.51 
LT1999HS8-50#TRPBF SO 8 H $3.58  $2.57 
LT1999IMS8-10#PBF MSOP 8 I $3.02  $2.15 
LT1999IMS8-10#TRPBF MSOP 8 I $3.08  $2.21 
LT1999IMS8-20#PBF MSOP 8 I $3.02  $2.15 
LT1999IMS8-20#TRPBF MSOP 8 I $3.08  $2.21 
LT1999IMS8-50#PBF MSOP 8 I $3.02  $2.15 
LT1999IMS8-50#TRPBF MSOP 8 I $3.08  $2.21 
LT1999IS8-10#PBF SO 8 I $3.02  $2.15 
LT1999IS8-10#TRPBF SO 8 I $3.08  $2.21 
LT1999IS8-20#PBF SO 8 I $3.02  $2.15 
LT1999IS8-20#TRPBF SO 8 I $3.08  $2.21 
LT1999IS8-50#PBF SO 8 I $3.02  $2.15 
LT1999IS8-50#TRPBF SO 8 I $3.08  $2.21 
LT1999MPMS8-10#PBF MSOP 8 MP $6.83  $4.88 
LT1999MPMS8-10#TRPBF MSOP 8 MP $6.89  $4.94 
LT1999MPMS8-20#PBF MSOP 8 MP $6.83  $4.88 
LT1999MPMS8-20#TRPBF MSOP 8 MP $6.89  $4.94 
LT1999MPMS8-50#PBF MSOP 8 MP $6.83  $4.88 
LT1999MPMS8-50#TRPBF MSOP 8 MP $6.89  $4.94 
LT1999MPS8-10#PBF SO 8 MP $6.83  $4.88 
LT1999MPS8-10#TRPBF SO 8 MP $6.89  $4.94 
LT1999MPS8-20#PBF SO 8 MP $6.83  $4.88 
LT1999MPS8-20#TRPBF SO 8 MP $6.89  $4.94 
LT1999MPS8-50#PBF SO 8 MP $6.83  $4.88 
LT1999MPS8-50#TRPBF SO 8 MP $6.89  $4.94 
LT1999-50 数据手册及相关资料下载
  1. 数据手册(英文) : LT1999-10/LT1999-20/ LT1999-50 - High Voltage, Bidirectional Current Sense Amplifier.PDF
  2. 可靠性数据 : R515 Reliability Data .PDF
  3. 产品选型卡 : Precision High Side Current Sense Amplifiers.PDF
  4. 产品新闻发布 (中文) : 双向电流检测放大器工作在 -5V 至 80V,并且在 100kHz 时具 80dB CMRR.PDF