LT5504 800MHz to 2.7GHz RF Measuring Receiver
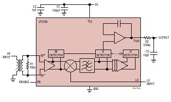
The LT®5504 is an 800MHz to 2700MHz monolithic integrated measuring receiver, capable of detecting a wide dynamic range RF signal from –75dBm to +5dBm. The logarithm of the RF signal is precisely converted into a linear DC voltage. The LT5504 consists of RF/IF limiters, an LO buffer amplifier, a limiting mixer, a 3rd-order 450MHz integrated low pass filter, RF/IF detectors and an output interface. The ultrawide dynamic range is achieved by simultaneously measuring the RF signal and a down-converted IF signal obtained using the on-chip mixer and an external local oscillator. The RF- and IF-detected signals are summed to generate an accurate linear DC voltage proportional to the input RF voltage (or power) in dB. The output is buffered with a low output impedance driver
产品特点 Features
- RF Frequency Range: 800MHz to 2.7GHz
- Ultra Wide Dynamic Range: 80dB Over Full Frequency Range and Over Temperature
- Wide Power Supply Range: 2.7V to 5.25V
- Low Supply Current: 14.7mA at 3V
- Shutdown Current: 0.2µA
- 8-Lead MS0P Package
参数
 |
应用
- RSSI Measurements
- Receive AGC
- Transmit Power Control
- ASK and Envelope Demodulation
- GSM/TDMA/CDMA/WCDMA
典型应用图
 |
LT5504 订购信息和价格参考Package Variations and Pricing
| 器件型号 |
封装 |
引脚 |
温度 |
价格 (以 1 ~ 99 片为批量) |
价格 (以 1000 片为批量) * |
| LT5504EMS8 |
MSOP |
8 |
E |
$8.93 |
$6.50 |
| LT5504EMS8#PBF |
MSOP |
8 |
E |
$8.93 |
$6.50 |
| LT5504EMS8#TR |
MSOP |
8 |
E |
|
$6.56 |
| LT5504EMS8#TRPBF |
MSOP |
8 |
E |
|
$6.56 |
LT5504 数据手册及相关资料下载
- 数据手册 (英文) : LT5504 - 800MHz to 2.7GHz RF Measuring Receiver.PDF
- 应用指南 (英文) : AN91 - Low Cost Coupling Methods for RF Power Detectors Replace Directional Couplers.PDF
- 设计要点 (中文) : DN335 - 用于功率检波和控制的宽带 RF IC.PDF
- 可靠性数据 : R409 Reliability Data .PDF