LT6604-2.5 双通道、非常低噪声、差分放大器和 2.5MHz 低通滤波器

LT®6604-2.5 包含两个匹配的全差分放大器,它们各具有一个四阶、2.5MHz 低通滤波器。固定频率低通滤波器近似一个切比雪夫 (Chebyshev) 响应。通过集成一个滤波器和一个差分放大器,该器件实现了极低的失真和噪声。在单位增益条件下,测得的带内信噪比达到了令人注目的 86dB。在较高的增益条件下,输入参考噪声下降,于是,该器件能够处理较小的输入差分信号,而不会使信噪比发生显著的劣化。

两个通道之间的增益和相位完全匹配。每个通道的增益采用两个外部电阻器来独立地设置。通过提供一个可调输出共模电压,LT6604-2.5 实现了电平移位,从而使其非常适合于直接连接至 ADC。LT6604-2.5 的技术规格针对 3V 工作电压进行了全面的拟订。当采用单 3V 电源时,该差分设计在高达 4VP-P 的信号电平条件下实现了出色的性能。

如需了解具集成 2.5MHz 至 20MHz 低通滤波器的相关单通道和双通道差分放大器的完整列表,请见本数据表的最后一页。

产品特点 Features
  • 具 2.5MHz 低通滤波器的双通道差分放大器
    四阶滤波器
    近似切比雪夫 (Chebyshev) 响应
    保证相位和增益匹配
    可利用电阻器来设置的差分增益
  • > 86dB 信噪比 (3V 电源,1VRMS 输出)
  • 低失真 (1MHz,1VRMS 输出,800Ω 负载)
    HD2:92dBc
    HD3:88dBc
  • 针对采用 3V、5V 和 ±5V 工作电源拟订技术规格
  • 全差分输入和输出
  • 可调输出共模电压
  • 小外形 4mm x 7mm x 0.75mm QFN 封装
封装
LT6604-2.5 封装
应用
  • 双通道差分 ADC 驱动器和滤波器
  • 单端至差分转换器
  • 匹配、双通道、差分增益或滤波器级
  • 差分信号的共模变换
  • 无线基础设施或网络应用中的高速 ADC 抗混叠和 DAC 滤波处理
  • 高速测试和测量设备
  • 医学成像
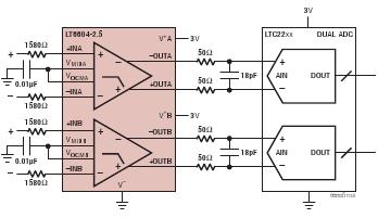
典型应用图
LT6604-2.5 典型应用
参数
LT6604-2.5 参数
LT6604-2.5 订购信息和价格参考Package Variations and Pricing
器件型号 封装 引脚 温度 价格 (以 1 ~ 99 片为批量) 价格 (以 1000 片为批量) *
LT6604CUFF-10#PBF QFN 34 C $9.30  $6.50 
LT6604CUFF-10#TRPBF QFN 34 C $6.56 
LT6604CUFF-15#PBF QFN 34 C $9.30  $6.50 
LT6604CUFF-15#TRPBF QFN 34 C $6.56 
LT6604CUFF-2.5#PBF QFN 34 C $9.30  $6.50 
LT6604CUFF-2.5#TRPBF QFN 34 C $6.56 
LT6604CUFF-5#PBF QFN 34 C $9.30  $6.50 
LT6604CUFF-5#TRPBF QFN 34 C $6.56 
LT6604IUFF-10#PBF QFN 34 I $10.65  $7.45 
LT6604IUFF-10#TRPBF QFN 34 I $7.51 
LT6604IUFF-15#PBF QFN 34 I $10.65  $7.45 
LT6604IUFF-15#TRPBF QFN 34 I $7.51 
LT6604IUFF-2.5#PBF QFN 34 I $10.65  $7.45 
LT6604IUFF-2.5#TRPBF QFN 34 I $7.51 
LT6604IUFF-5#PBF QFN 34 I $10.65  $7.45 
LT6604IUFF-5#TRPBF QFN 34 I $7.51 
LT6604-2.5 数据手册及相关资料下载
  1. 数据手册(英文) : LT6604-2.5 - Dual Very Low Noise, Differential Amplifier and 2.5MHz Lowpass Filter.PDF
  2. 应用指南 (英文) : AN109 - Interfacing RF I/Q Modulators with Popular D/A Converters.PDF
  3. 设计要点 (英文) : DN313 - High Frequency Active Antialiasing Filters.PDF
  4. 设计要点 (中文) : DN313 - 高频有源抗混淆滤波器.PDF
  5. 可靠性数据 : R537 Reliability Data .PDF
  6. 产品选型卡 : Differential Amplifiers/High Speed ADC Drivers .PDF
  7. 文章 (中文) : 将直接转换推向奈奎斯特带宽所面临的挑战.PDF
  8. 产品新闻发布 (中文) : LT6604-xx - 具差分放大器和保证匹配的两路 2.5MHz、5MHz、10MHz 和 15MHz 低通滤波器.PDF