LTC1093 1, 2, 6 and 8 Channel, 10-Bit Serial I/O Data Acquisition Systems

The H (Metal Can), J (Ceramic), and K (Metal Can) Packages From linear Technology Are Now Obsolete

The high impedance analog inputs and the ability to operate with reduced spans (below 1V full scale) allow direct connection to sensors and transducers in many applications, eliminating the need for gain stages. An efficient serial port communicates without external hardware to most MPU serial ports and all MPU parallel I/O ports allowing eight channels of data to be transmitted over as few as three wires. This, coupled with low power consumption, makes remote location possible and facilitates transmitting data through isolation barriers. Temperature drift of offset, linearity and full-scale error are all extremely low (1ppm/°C typically) allowing all grades to be specified with offset and linearity errors of ±0.5LSB maximum over temperature. In addition, the A grade devices are specified with full-scale error and total unadjusted error (including the effects of offset, linearity and full-scale errors) of ±1LSB maximum over temperature. The lower grade has a full-scale specification of ±2LSB for applications where full scale is adjustable or less critical

产品特点 Features
  • Programmable Features
    – Unipolar/Bipolar Conversions
    – Differential/Single-Ended Multiplexer Configurations
  • Sample-and-Holds
  • Single Supply 5V, 10V or ±5V Operation
  • Direct 3- or 4-Wire Interface to Most MPU Serial Ports and All MPU Parallel I/O Ports
  • Analog Inputs Common Mode to Supply Rails
  • Resolution: 10 Bits
  • Total Unadjusted Error (A Grade): ±1LSB Over Temp
  • Fast Conversion Time: 20µs
  • Low Supply Current
    LTC1091: 3.5mA Max, 1.5mA Typ
    LTC1093/LTC1093/LTC1094: 2.5mA Max, 1mA Typ
应用
  • Resolution: 10 Bits
  • Total Unadjusted Error (LTC1093A): ±1/2LSB Max
  • Conversion Time: 22µs
  • Supply Current: 2.5mA Max, 1.0mA Typ
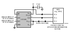
典型应用图
LTC1093 典型应用
参数
LTC1093 参数
LTC1093 订购信息和价格参考Package Variations and Pricing
器件型号 封装 引脚 温度 价格 (以 1 ~ 99 片为批量) 价格 (以 1000 片为批量) *
LTC1093ACN PDIP 16 C $17.15  $14.95 
LTC1093ACN#PBF PDIP 16 C $17.15  $14.95 
LTC1093CN PDIP 16 C $11.65  $9.45 
LTC1093CN#PBF PDIP 16 C $11.65  $9.45 
LTC1093CSW SO 16 C $15.15  $12.45 
LTC1093CSW#PBF SO 16 C $15.15  $12.45 
LTC1093CSW#TR SO 16 C $12.51 
LTC1093CSW#TRPBF SO 16 C $12.51 
LTC1093MJ 0 M $115.76 
LTC1093 数据手册及相关资料下载
  1. 数据手册(英文) : LTC1091 - 1, 2, 6 and 8 Channel, 10-Bit Serial I/O Data Acquisition Systems.PDF
  2. 应用指南 (英文) : AN28 - Thermocouple Measurement.PDF
  3. 应用指南 (英文) : AN62 - Data Acquisition Circuit Collection.PDF
  4. 设计要点 (英文) : DN1 - New Data Acquisition Systems Communicate with Microprocessors Over 4 Wires.PDF
  5. 设计要点 (英文) : DN5 - Temperature Measurement Using the LTC1090/91/92 Series of Data Acquisition Systems.PDF
  6. 可靠性数据 : R061 Reliability Data .PDF