LTC1164 Low Power, Low Noise, Quad Universal Filter Building Block

The LTC™1164 consists of four low power, low noise 2nd order switched capacitor filter building blocks. Each building block typically consumes 850µA supply current. Low power is achieved without sacrificing noise and distortion. Each building block, together with 3 to 5 resistors, can provide 2nd order functions like lowpass, highpass, bandpass, and notch. The center frequency of each 2nd order section can be tuned with an external clock, or a clock and resistor ratio. For Q < 5,the center frequency range is from 0.1Hz to 20kHz. Up to 8th order filters can be realized by cascading all four 2nd order sections. Any classical filter realization (such as Butterworth, Cauer, Bessel, and Chebyshev) can be formed.

A customized monolithic version of the LTC1164 including internal thin film resistors can be obtained. Consult LTC Marketing for details.

The LTC1164 is manufactured using linear Technology’s enhanced LTCMOS® silicon gate process

产品特点 Features
  • Low Power
  • 4 Filters in a 0.3 Inch Wide Package
  • 1/2 the Noise of the LTC1059, 60, 61 Devices
  • Wide Output Swing
  • Clock to Center Frequency Ratios of 50:1 and 100:1
  • Operates from ±2.37V to ±8V Power Supplies
  • Customized Version with Internal Resistors Available
  • Ratio of 50:1 and 100:1 Simultaneously Available
参数
LTC1164 参数
应用
  • Antialiasing Filters
  • Telecom Filters
  • Spectral Analysis
  • Loop Filters
  • For Fixed Lowpass Filter Requirements use the LTC1164-XX Series
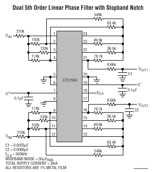
典型应用图
LTC1164 典型应用
LTC1164 订购信息和价格参考Package Variations and Pricing
器件型号 封装 引脚 温度 价格 (以 1 ~ 99 片为批量) 价格 (以 1000 片为批量) *
LTC1164-5CN PDIP 14 C $13.35  $10.80 
LTC1164-5CN#PBF PDIP 14 C $13.35  $10.80 
LTC1164-5CSW SO 16 C $18.35  $14.85 
LTC1164-5CSW#PBF SO 16 C $18.35  $14.85 
LTC1164-5CSW#TR SO 16 C $14.91 
LTC1164-5CSW#TRPBF SO 16 C $14.91 
LTC1164-6CN PDIP 14 C $15.00  $12.35 
LTC1164-6CN#PBF PDIP 14 C $15.00  $12.35 
LTC1164-6CSW SO 16 C $18.35  $14.85 
LTC1164-6CSW#PBF SO 16 C $18.35  $14.85 
LTC1164-6CSW#TR SO 16 C $14.91 
LTC1164-6CSW#TRPBF SO 16 C $14.91 
LTC1164-7CN PDIP 14 C $13.35  $10.80 
LTC1164-7CN#PBF PDIP 14 C $13.35  $10.80 
LTC1164-7CSW SO 16 C $18.35  $14.85 
LTC1164-7CSW#PBF SO 16 C $18.35  $14.85 
LTC1164-7CSW#TR SO 16 C $14.91 
LTC1164-7CSW#TRPBF SO 16 C $14.91 
LTC1164ACN PDIP 24 C $14.60  $11.50 
LTC1164ACN#PBF PDIP 24 C $14.60  $11.50 
LTC1164ACSW SO 24 C $19.00  $15.00 
LTC1164ACSW#PBF SO 24 C $19.00  $15.00 
LTC1164ACSW#TR SO 24 C $15.10 
LTC1164ACSW#TRPBF SO 24 C $15.10 
LTC1164CN PDIP 14 C $10.00  $8.10 
LTC1164CN#PBF PDIP 14 C $10.00  $8.10 
LTC1164CSW SO 24 C $12.00  $9.45 
LTC1164CSW#PBF SO 24 C $12.00  $9.45 
LTC1164CSW#TR SO 24 C $9.55 
LTC1164CSW#TRPBF SO 24 C $9.55 
LTC1164 数据手册及相关资料下载
  1. 数据手册(英文) : LTC1164 - Low Power, Low Noise, Quad Universal Filter Building Block.PDF
  2. 应用指南 (英文) : AN56 - Better than Bessel linear Phase Filters For Data Communications.PDF
  3. 可靠性数据 : R042 Reliability Data.PDF