LTC2267-14 14 位、105Msps 低功率双通道 ADC

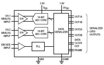
LTC®2268-14 / LTC2267-14 / LTC2266-14 是双通道、同步采样 14 位 A/D 转换器,专为对高频、宽动态范围信号进行数字化处理而设计。这些器件非常适合于要求苛刻的通信应用,其 AC 性能包括 73.1dB SNR 和 88dB 无寄生动态范围 (SFDR)。0.15psRMS 的超低抖动实现了 IF 频率的欠采样和卓越的噪声性能。

DC 规格包括整个温度范围内的 ±1LSB INL (典型值)、±0.3LSB DNL (典型值) 和无漏失码。转换噪声很低,仅为 1.2LSBRMS。

数字输出为串行 LVDS,旨在最大限度地减少数据线的数目。每个通道一次输出两个位 (“双线道” 模式)。在较低采样速率条件下提供了每通道输出一个位的选项 (“单线道” 模式)。LVDS 驱动器具有可任选的内部终端和可调输出电平,以确保干净的信号完整性。

可以利用一个正弦波、PECL、LVDS、TTL 或 CMOS 输入对 ENC+ 和 ENC¯ 输入进行差分或单端驱动。一个可任选的时钟占空比稳定器在全速和多种时钟占空比条件下实现了高性能。

产品特点 Features
  • 双通道同步采样 ADC
  • 73.1dB SNR
  • 88dB SFDR
  • 低功率:299mW / 243mW / 203mW (总值)
                    150mW / 121mW / 101mW (每通道)
  • 单 1.8V 电源
  • 串行 LVDS 输出:每个通道 1 位或 2 位
  • 可选输入范围:1VP-P 至 2VP-P
  • 800MHz 满功率带宽 S/H (采样及保持)
  • 停机和打盹模式
  • 用于配置的串行 SPI 端口
  • 引脚兼容的 14 位和 12 位器件版本
  • 40 引脚 (6mm x 6mm) QFN 封装
封装
LTC2267-14 封装
应用
  • 通信
  • 蜂窝基站
  • 软件定义无线电
  • 便携式医学成像
  • 多通道数据采集
  • 非破坏性测试
典型应用图
LTC2267-14 典型应用
参数
LTC2267-14 参数
LTC2267-14 订购信息和价格参考Package Variations and Pricing
器件型号 封装 引脚 温度 价格 (以 1 ~ 99 片为批量) 价格 (以 1000 片为批量) *
LTC2267CUJ-12#PBF QFN 40 C $20.36  $14.25 
LTC2267CUJ-12#TRPBF QFN 40 C $14.31 
LTC2267CUJ-14#PBF QFN 40 C $31.07  $21.75 
LTC2267CUJ-14#TRPBF QFN 40 C $21.81 
LTC2267IUJ-12#PBF QFN 40 I $24.43  $17.10 
LTC2267IUJ-12#TRPBF QFN 40 I $17.16 
LTC2267IUJ-14#PBF QFN 40 I $37.29  $26.10 
LTC2267IUJ-14#TRPBF QFN 40 I $26.16 
LTC2267-14 演示电路板
器件型号 描述
DC1532A-B LTC2267-14 | 14-Bit, 105Msps, 1.8V Dual Serial ADC, 5MHz < Ain < 170MHz, req DC1371 and DC1075
Companion Boards
器件型号 描述
DC1075A Clock Divider board
DC1164A High Speed ADC Signal Source
DC1216A-A 100MHz High Speed ADC Clock Source
DC1216A-B 122.88MHz High Speed ADC Clock Source
DC1216A-C 80MHz High Speed ADC Clock Source
DC1371A High Speed (>250Mbps) USB Data Collection Board
LTC2267-14 数据手册及相关资料下载
  1. 数据手册(英文) : LTC2268-14/ LTC2267-14/LTC2266-14 - 14-Bit, 125Msps/105Msps/ 80Msps Low Power Dual ADCs.PDF
  2. 可靠性数据 : R538 Reliability Data .PDF
  3. 产品选型卡 : Differential Amplifiers/High Speed ADC Drivers .PDF
  4. 产品选型卡 : 14-/12-Bit 1.8V Single ADCs.PDF