LTC2269 16 位、20Msps、低噪声 ADC

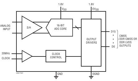
LTC®2269 是一款采样 16 位 A/D 转换器,专为对高频、宽动态范围信号进行数字化处理而设计。该器件非常适合要求苛刻的通信应用,其 AC 性能包括 84.1dB SNR 和 99dB 无杂散动态范围 (SFDR)。

DC 规格包括整个温度范围内的 ±1LSB INL (典型值)、±0.2LSB DNL (典型值) 和无漏失码。转换噪声为 1.44LSBRMS。

数字输出可以是全速率 CMOS、双倍数据速率 CMOS 或双倍数据速率 LVDS。一个单独的输出电源提供了 1.2V 至 1.8V 的 CMOS 输出摆幅。

可以利用一个正弦波、PECL、LVDS、TTL 或 CMOS 输入对 ENC+ 和 ENC- 输入进行差分或单端驱动。一个任选的时钟占空比稳定器在全速和多种时钟占空比条件下实现了高性能。

产品特点 Features
  • 84.1dB SNR (46μVRMS 输入参考噪声)
  • 99dB SFDR
  • ±2.3LSB INL (最大值)
  • 低功率:88mW
  • 单 1.8V 电源
  • CMOS、DDR CMOS 或 DDR LVDS 输出
  • 可选的输入范围:1VP-P 至 2.1VP-P
  • 200MHz 满功率带宽 S/H (采样及保持)
  • 停机和打盹模式
  • 用于配置的串行 SPI 端口
  • 引脚可兼容:
              LTC2160:16 位、25Msps、45mW
  • 48 引脚 (7mm x 7mm) QFN 封装
封装
LTC2269 封装
应用
  • 低功率仪表
  • 软件定义无线电
  • 便携式医学成像
  • 多通道数据采集
典型应用图
LTC2269 典型应用
参数
LTC2269 参数
LTC2269 订购信息和价格参考Package Variations and Pricing
器件型号 封装 引脚 温度 价格 (以 1 ~ 99 片为批量) 价格 (以 1000 片为批量) *
LTC2269CUK#PBF QFN 48 C $42.86  $30.00 
LTC2269CUK#TRPBF QFN 48 C $30.06 
LTC2269IUK#PBF QFN 48 I $51.43  $36.00 
LTC2269IUK#TRPBF QFN 48 I $36.06 
LTC2269 数据手册及相关资料下载
  1. 数据手册(英文) : LTC2269 - 16-Bit, 20Msps Low Noise ADC.PDF
  2. 可靠性数据 : R538 Reliability Data .PDF
  3. 产品选型卡 : Lowest Noise 16-Bit 20Msps ADCs.PDF