LTC2274 16 位、105Msps 串行输出 ADC
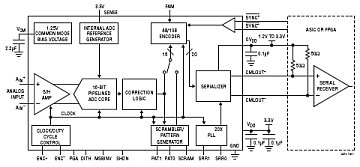
LTC®2274 是一款 105Msps、16位 A/D 转换器,具有一个高速串行接口。它专为对具有一个 700MHz 输入带宽的高频和宽动态范围信号进行数字化处理而设计。该 ADC 的输入范围可以采用 PGA 前端进行优化。根据数据转换器的 JEDEC 串行接口规范 (JESD204) 对输出数据进行串行化处理。
LTC2274 非常适合于那些希望把敏感的模拟电路与噪声数字逻辑电路隔离开来的苛刻应用。其 AC 性能包括 77.7dB 噪声层和 100dB 无寄生动态范围 (SFDR)。80fs RMS 的超低内部抖动实现了高输入频率的欠采样和卓越的噪声性能。最大 DC 规格包括在整个温度范围内的 ±4.5LSB INL、±1LSB DNL (无漏失码)。
可以利用一个正弦波、PECL、LVDS、TTL 或 CMOS 输入对编码时钟输入、ENC+ 和ENC¯ 进行差分或单端驱动。一个时钟占空比稳定器在全速和各种时钟占空比条件下实现了高性能。
产品特点 Features
- 高速串行接口 (JESD204)
- 采样速率:80Msps/65Msps
- 77.7dBFS 噪声层
- 100dB SFDR
- 在 140MHz 频率条件下的 SFDR > 90dB (1.5VP-P 输入范围)
- PGA 前端 (2.25VP-P 或 1.5VP-P 输入范围)
- 700MHz 满功率带宽 S/H (采样及保持)
- 任选的内部高频颤动
- 单 3.3V 电源
- 功耗:1100mW/990mW
- 时钟占空比稳定器
- 引脚兼容系列
105Msps:LTC2274
80Msps:LTC2273
65Msps:LTC2272
- 40 引脚 6mm x 6mm QFN 封装
封装
| 应用
- 电信
- 接收机
- 蜂窝基站
- 频谱分析
- 成像系统
- ATE
典型应用图
参数
|
LTC2274 订购信息和价格参考Package Variations and Pricing
| 器件型号 |
封装 |
引脚 |
温度 |
价格 (以 1 ~ 99 片为批量) |
价格 (以 1000 片为批量) * |
| LTC2274CUJ#PBF |
QFN |
40 |
C |
$74.29 |
$52.00 |
| LTC2274CUJ#TRPBF |
QFN |
40 |
C |
|
$52.10 |
| LTC2274IUJ#PBF |
QFN |
40 |
I |
$89.14 |
$62.40 |
| LTC2274IUJ#TRPBF |
QFN |
40 |
I |
|
$62.50 |
LTC2274 演示电路板
| 器件型号 |
描述 |
| DC1151A-C |
LTC2274CUJ | 16-Bit, 80Msps Serial ADC, 1MHz < Ain < 70MHz, req. DC890 |
| DC1151A-D |
LTC2274CUJ | 16-bit, 80Msps Serial ADC, 70MHz < Ain < 140MHz, req. DC890 |
Companion Boards
| 器件型号 |
描述 |
| DC1075A |
Clock Divider board |
| DC1164A |
High Speed ADC Signal Source |
| DC1216A-A |
100MHz High Speed ADC Clock Source |
| DC1216A-B |
122.88MHz High Speed ADC Clock Source |
| DC1216A-C |
80MHz High Speed ADC Clock Source |
| DC1371A |
High Speed (up to 250Mbps, CMOS/LVDS) USB Data Collection Board |
LTC2274 数据手册及相关资料下载
- 数据手册(英文) : LTC2274 - 16-Bit, 105Msps Serial Output ADC.PDF
- 可靠性数据 : R488 Reliability Data .PDF
- 产品选型卡 : Differential Amplifiers/High Speed ADC Drivers .PDF
- 产品选型卡 : Lowest Noise 16-Bit 20Msps ADCs.PDF