LTC2306 低噪声、500ksps、双通道、12 位ADC

LTC®2302/LTC2306 是低噪声、500ksps、单通道/双通道、12 位 ADC,具有一个SPI/MICROWIRE 兼容型串行接口。这些 ADC 包括一个全差分采样及保持电路,用于降低共模噪声。内部转换时钟允许外部串行输出数据时钟 (SCK) 在任何频率至高达 40MHz 的条件下运作。

LTC2302/LTC2306 采用单 5V 工作电源,并在 500ksps 采样速率条件下仅吸收2.8mA 电流。自动停机功能可在 1ksps 采样速率条件下把电源电流减小至 14μA。

LTC2302/LTC2306 采用纤巧型 10 引脚 3mm x 3mm DFN 封装。低功耗和小外形尺寸使得 LTC2302/LTC2306 非常适合于电池供电型和便携式应用,而四线式 SPI 兼容型串行接口则使这些 ADC 成为隔离型或远程数据采集系统的一种上佳选择。

产品特点 Features
  • 12 位分辨率
  • 低功率:1.5mW (在 1ksps),35μW (睡眠模式)
  • 14ksps 吞吐速率
  • 内部基准
  • 低噪声:SNR = 73.5dB
  • 保证无漏失码
  • 单 5V 电源
  • 具有 9 个地址和 1 个全局地址 (用于实现同步) 的二线式 I2C 兼容型串行接口
  • 快速转换时间:1.3μs
  • 单通道 (LTC2302) 和两通道 (LTC2306) 版本
  • 单极或双极输入范围 (可利用软件来选择)
  • 内部转换时钟
  • 保证工作温度范围:-40ºC 至 125ºC (MSOP 封装)
  • 12 引脚 4mm x 3mm DFN 封装和 12 引脚 MSOP 封装
参数
LTC2306 参数
应用
  • 高速数据采集
  • 工业过程控制
  • 电动机控制
  • 加速计测量
  • 电池供电型仪器
  • 隔离型和/或远程数据采集
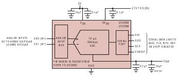
典型应用图
LTC2306 典型应用
LTC2306 订购信息和价格参考Package Variations and Pricing
器件型号 封装 引脚 温度 价格 (以 1 ~ 99 片为批量) 价格 (以 1000 片为批量) *
LTC2306CDD#PBF DFN 10 C $3.00  $2.10 
LTC2306CDD#TRPBF DFN 10 C $2.16 
LTC2306IDD#PBF DFN 10 I $3.60  $2.52 
LTC2306IDD#TRPBF DFN 10 I $2.58 
LTC2306 数据手册及相关资料下载
  1. 数据手册(英文) : LTC2302/LTC2306 - Low Noise, 500ksps, 1-/2-Channel, 12-Bit ADCs.PDF
  2. 可靠性数据 : R461 Reliability Data .PDF
  3. 产品选型卡 : General Purpose SAR ADCs.PDF