LTC2308 低噪声、500ksps、8 通道、12 位 ADC

LTC®2308 是一款低噪声、500ksps、8 通道、12 位 ADC,具有一个 SPI/MICROWIRE 兼容型串行接口。该ADC 包括一个内部基准和一个全差分采样及保持电路,旨在降低共模噪声。内部转换时钟允许外部串行输出数据时钟 (SCK) 在高达 40MHz 的任何频率条件下运作。

LTC2308 采用单 5V 工作电源,并仅吸收 3.5mA 电流 (在500ksps 采样速率条件下)。自动停机功能可把电源电流减小至 200μA (在 1ksps 采样速率条件下)。

LTC2308 采用小型 24 引脚 4mm x 4mm QFN 封装。内部2.5V 基准和8通道多路复用器进一步降低了 PCB 板级空间要求。

低功耗和小外形尺寸使 LTC2308 非常适合于电池供电型和便携式应用,而四线式 SPI 兼容型串行接口则令该 ADC成为隔离型或远程数据采集系统的一种上佳配合。

产品特点 Features
  • 12 位分辨率
  • 500ksps 采样速率
  • 低噪声:SINAD = 73.3dB
  • 保证无漏失码
  • 单 5V 电源
  • 自动停机功能可调节电源电流和采样速率
  • 低功率:
    17.5mW (在 500ksps)
    0.9mW (打盹模式)
    35μW (睡眠模式)
  • 内部基准
  • 内部 8 通道多路复用器
  • 内部转换时钟
  • SPI/MICROWIRETM 兼容型串行接口
  • 单极或双极输入范围 (可利用软件来选择)
  • 单独的输出电源 OVDD (2.7V 至 5.25V)
  • 24 引脚 4mm x 4mm QFN 封装
应用
  • 高速数据采集
  • 工业过程控制
  • 电动机控制
  • 加速计测量
  • 电池供电型仪器
  • 隔离型和/或远程数据采集
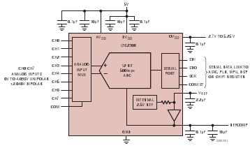
典型应用图
LTC2308 典型应用
参数
LTC2308 参数
LTC2308 订购信息和价格参考Package Variations and Pricing
器件型号 封装 引脚 温度 价格 (以 1 ~ 99 片为批量) 价格 (以 1000 片为批量) *
LTC2308CUF#PBF QFN 24 C $5.27  $2.95 
LTC2308CUF#TRPBF QFN 24 C $5.33  $3.01 
LTC2308IUF#PBF QFN 24 I $6.32  $3.54 
LTC2308IUF#TRPBF QFN 24 I $6.38  $3.60 
LTC2308 数据手册及相关资料下载
  1. 数据手册(英文) : LTC2308 - Low Noise, 500ksps, 8-Channel, 12-Bit ADC.PDF
  2. 可靠性数据 : R461 Reliability Data .PDF
  3. 产品选型卡 : General Purpose SAR ADCs.PDF