LTC2351-14 具停机功能的 6 通道、14 位、1.5Msps 同时采样 ADC

LTC®2351-14 是一款 14 位、1.5Msps ADC,具有 6 个同时采样差分输入。该器件仅从单 3V电源吸收 5.5mA 电流,并采用纤巧型 32 引脚 (5mm x 5mm) QFN 封装。一种睡眠停机模式能够进一步把功耗降低至 12μW。低功率与纤巧型封装的组合使 LTC2351-14 成为便携式应用的合适之选。

LTC2351-14 包含 6 个单独的差分输入,在 CONV 信号的上升沿上对这些差分输入进行同时采样。然后,以一个每通道 250ksps 的速率对这 6 个采样输入进行转换。

83dB 的共模抑制使用户能够通过对来自信号源的信号进行差分测量,以免除接地环路和共模噪声。

该器件可对 0V 至 2.5V 单极输入进行差分转换,或者,也可对 ±1.25V 双极输入进行差分转换,这取决于 BIP 引脚的状态。只要差分输入范围得以保持,则任何模拟输入都可以拥有轨至轨的摆幅。

可以缩短转换序列,以对少于 6 个通道实施转换,这取决于 SEL2、SEL1 和 SEL0 输入的逻辑状态。

串行接口在 96 个时钟周期中发送 6 个转换结果,以获得与标准串行接口的兼容性。

产品特点 Features
  • 具有 6 个同时采样差分输入的 1.5Msps ADC
  • 每个通道的吞吐速率为 250ksps
  • 75dB SINAD
  • 低功耗:16.5mW
  • 3V 单电源操作
  • 2.5V 内部带隙基准,可利用外部基准对其取代
  • 三线式 SPI 兼容型串行接口
  • 内部转换操作由 CONV 信号来触发
  • “睡眠”(12μW) 停机模式
  • “打盹”(4.5mW) 停机模式
  • 0V 至 2.5V 单极、或 ±1.25V 双极差分输入范围
  • 83dB 共模抑制
  • 纤巧型 32 引脚 (5mm x 5mm) QFN 封装
封装
LTC2351-14 封装
应用
  • 多相功率测量
  • 多相电动机控制
  • 数据采集系统
  • 不可间断电源
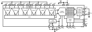
典型应用图
LTC2351-14 典型应用
LTC2351-14 订购信息和价格参考Package Variations and Pricing
器件型号 封装 引脚 温度 价格 (以 1 ~ 99 片为批量) 价格 (以 1000 片为批量) *
LTC2351CUH-12#PBF QFN 32 C $8.71  $5.95 
LTC2351CUH-12#TRPBF QFN 32 C $6.01 
LTC2351CUH-14#PBF QFN 32 C $13.84  $9.45 
LTC2351CUH-14#TRPBF QFN 32 C $9.51 
LTC2351HUH-12#PBF QFN 32 H $11.21  $7.85 
LTC2351HUH-12#TRPBF QFN 32 H $7.91 
LTC2351HUH-14#PBF QFN 32 H $17.81  $12.47 
LTC2351HUH-14#TRPBF QFN 32 H $12.53 
LTC2351IUH-12#PBF QFN 32 I $10.46  $7.14 
LTC2351IUH-12#TRPBF QFN 32 I $7.20 
LTC2351IUH-14#PBF QFN 32 I $16.61  $11.34 
LTC2351IUH-14#TRPBF QFN 32 I $11.40 
LTC2351-14 演示电路板
器件型号 描述
DC1278A LTC2351-14: 14-bit, 6-ch 1.5Msps Simultaneous Sampling SAR ADC (req DC890)
Companion Boards
器件型号 描述
DC890B High Speed (up to 250Mbps, CMOS/LVDS) USB Data Collection Board
LTC2351-14 数据手册及相关资料下载
  1. 数据手册(英文) : LTC2351-14 - 6 Channel, 14-Bit, 1.5Msps Simultaneous Sampling ADC with Shutdown.PDF
  2. 设计要点 (英文) : DN426 - 6-Channel SAR ADCs for Industrial Monitoring and Portable.PDF
  3. 设计要点 (中文) : DN426 - 工业监控和便携式仪器的6通道SAR型ADC.PDF
  4. 可靠性数据 : R478 Reliability Data .PDF
  5. 产品选型卡 : General Purpose SAR ADCs.PDF
  6. LT Journal : Jun 2007 - SAR ADCs Feature Speed, Low Power, Small Package Size and True Simultaneous Sampling.PDF