LTC2410 24-Bit No Latency Delta Sigma™ ADC with Differential Input and Differential Reference

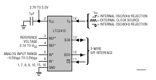
The LTC®2410 is a 2.7V to 5.5V micropower 24-bit differential Delta-Sigma analog to digital converter with an integrated oscillator, 2ppm INL and 0.16ppm RMS noise. It uses delta-sigma technology and provides single cycle settling time for multiplexed applications. Through a single pin, the LTC2410 can be configured for better than 110dB input differential mode rejection at 50Hz or 60Hz ±2%, or it can be driven by an external oscillator for a user defined rejection frequency. The internal oscillator requires no external frequency setting components.

The converter accepts any external differential reference voltage from 0.1V to VCC for flexible ratiometric and remote sensing measurement configurations. The full-scale differential input range is from –0.5VREF to 0.5VREF. The reference common mode voltage, VREFCM, and the input common mode voltage, VINCM, may be independently set anywhere within the GND to VCC range of the LTC2410. The DC common mode input rejection is better than 140dB.

The LTC2410 communicates through a flexible 3-wire digital interface which is compatible with SPI and MICROWIRE™ protocols

产品特点 Features
  • Differential Input and Differential Reference with
  • GND to VCC Common Mode Range
  • 2ppm INL, No Missing Codes
  • 2.5ppm Full-Scale Error
  • 0.1ppm Offset
  • 0.16ppm Noise
  • Single Conversion Settling Time for Multiplexed Applications
  • Internal Oscillator—No External Components
  • Required
  • 110dB Min, 50Hz/60Hz Notch Filter
  • 24-Bit ADC in Narrow SSOP-16 Package
  • (SO-8 Footprint)
  • Single Supply 2.7V to 5.5V Operation
  • Low Supply Current (200µA) and Auto Shutdown
  • Fully Differential Version of LTC2400
封装
LTC2410 封装
应用
  • Direct Sensor Digitizer
  • Weight Scales
  • Direct Temperature Measurement
  • Gas Analyzers
  • Strain-Gage Transducers
  • Instrumentation
  • Data Acquisition
  • Industrial Process Control
  • 6-Digit DVMs
典型应用图
LTC2410 典型应用
参数
LTC2410 参数
LTC2410 订购信息和价格参考Package Variations and Pricing
器件型号 封装 引脚 温度 价格 (以 1 ~ 99 片为批量) 价格 (以 1000 片为批量) *
LTC2410CGN SSOP 16 C $7.10  $5.50 
LTC2410CGN#PBF SSOP 16 C $7.10  $5.50 
LTC2410CGN#TR SSOP 16 C $5.56 
LTC2410CGN#TRPBF SSOP 16 C $5.56 
LTC2410IGN SSOP 16 I $8.10  $6.25 
LTC2410IGN#PBF SSOP 16 I $8.10  $6.25 
LTC2410IGN#TR SSOP 16 I $6.31 
LTC2410IGN#TRPBF SSOP 16 I $6.31 
LTC2410 数据手册及相关资料下载
  1. 数据手册(英文) : LTC2410 - 24-Bit No Latency Delta Sigma ADC with Differential Input and Differential Reference.PDF
  2. 应用指南 (英文) : AN86 - A Standards Lab Grade 20-Bit DAC with 0.1ppm/° Drift: The Dedicated Art of Digitizing One Part Per Million.PDF
  3. 可靠性数据 : R411 Reliability Data .PDF
  4. 产品选型卡 : No Latency Delta-Sigma™ ADCs.PDF
  5. LT Journal : Nov 2000 A New, Fully Differential, No Latency Delta-Sigma ADC Family.PDF
  6. LT Journal : May 2001 No Latency Delta-Sigma ADC Techniques for Optimized Performance.PDF
  7. LT Journal : Feb 2004 Easy-to-Use Spread Spectrum Clock Generator Reduces EMI and More.PDF
  8. LT Journal : May 2001 Using Bipolar Preamplifiers in an LTC2411-Based Correlated Double Sampling Scheme Produces a Noise Floor of Under 100nVRMS.PDF