LTC2415-1 24-Bit No Latency Delta Sigma™ ADC with Differential Input and Differential Reference

The LTC™2415/LTC2415-1 are micropower 24-bit differential DeltaSigma analog to digital converters with integrated oscillator, 2ppm INL, 0.23ppm RMS noise and a 2.7V to 5.5V supply range. They use delta-sigma technology and provide single cycle settling time for multiplexed applications. Through a single pin, the LTC2415 can be configured for better than 110dB input differential mode rejection at 50Hz or 60Hz �2%, or it can be driven by an external oscillator for a user defined rejection frequency. The LTC2415-1 can be configured for better than 87dB input differential mode rejection over the range of 49Hz to 61.2Hz (50Hz and 60Hz �2% simultaneously). The internal oscillator requires no external frequency setting components.

The converters accept any external differential reference voltage from 0.1V to VCC for flexible ratiometric and remote sensing measurement configurations. The full-scale differential input range is from �0.5VREF to 0.5VREF. The reference common mode voltage, VREFCM, and the input common mode voltage, VINCM, may be independently set anywhere within the GND to VCC range of the LTC2415/LTC2415-1. The DC common mode input rejection is better than 140dB.

The LTC2415/LTC2415-1 communicate through a flexible 3-wire digital interface which is compatible with SPI and MICROWIRE� protocols

产品特点 Features
  • 2x Speed Up Version of the LTC2410/LTC2413: 15Hz Output Rate, 50Hz or 60Hz Notch�LTC2415; 13.75Hz Output Rate, Simultaneous 5
  • Differential Input and Differential Reference with GND to VCC Common Mode Range
  • 2ppm INL, No Missing Codes
  • 2.5ppm Gain Error
  • 0.23ppm Noise
  • Single Conversion Settling Time for Multiplexed Applications
  • Internal Oscillator�No External Components Required
  • 24-Bit ADC in Narrow SSOP-16 Package (SO-8 Footprint)
  • Single Supply 2.7V to 5.5V Operation
  • Low Supply Current (200µA) and Auto Shutdown
封装
LTC2415 封装
应用
  • Direct Sensor Digitizer
  • Weight Scales
  • Direct Temperature Measurement
  • Gas Analyzers
  • Strain Gage Transducers
  • Instrumentation
  • Data Acquisition
  • Industrial Process Control
  • 6-Digit DVMs
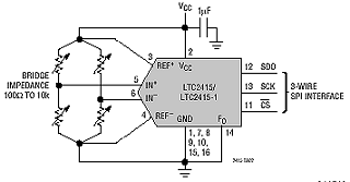
典型应用图
LTC2415-1 典型应用
参数
LTC2415-1 参数
LTC2415 订购信息和价格参考Package Variations and Pricing
器件型号 封装 引脚 温度 价格 (以 1 ~ 99 片为批量) 价格 (以 1000 片为批量) *
LTC2415-1CGN SSOP 16 C $7.10  $5.50 
LTC2415-1CGN#PBF SSOP 16 C $7.10  $5.50 
LTC2415-1CGN#TR SSOP 16 C $5.56 
LTC2415-1CGN#TRPBF SSOP 16 C $5.56 
LTC2415-1IGN SSOP 16 I $8.10  $6.25 
LTC2415-1IGN#PBF SSOP 16 I $8.10  $6.25 
LTC2415-1IGN#TR SSOP 16 I $6.31 
LTC2415-1IGN#TRPBF SSOP 16 I $6.31 
LTC2415CGN SSOP 16 C $7.10  $5.50 
LTC2415CGN#PBF SSOP 16 C $7.10  $5.50 
LTC2415CGN#TR SSOP 16 C $5.56 
LTC2415CGN#TRPBF SSOP 16 C $5.56 
LTC2415IGN SSOP 16 I $8.10  $6.25 
LTC2415IGN#PBF SSOP 16 I $8.10  $6.25 
LTC2415IGN#TR SSOP 16 I $6.31 
LTC2415IGN#TRPBF SSOP 16 I $6.31 
LTC2415-1 数据手册及相关资料下载
  1. 数据手册(英文) : LTC2415/LTC2415-1 - 24-Bit No Latency Delta Sigma ADC with Differential Input and Differential Reference.PDF
  2. 可靠性数据 : R411 Reliability Data .PDF
  3. 产品选型卡 : No Latency Delta-Sigma™ ADCs.PDF
  4. LT Journal : May 2001 No Latency Delta-Sigma ADC Techniques for Optimized Performance.PDF
  5. LT Journal : Nov 2000 A New, Fully Differential, No Latency Delta-Sigma ADC Family.PDF