LTC2436-1 双通道差分输入 16 位无延迟 ΔΣ 模数转换器

LTC®2436-1 是带有一个集成振荡器的双通道差分输入微功率 16 位无延迟增量累加 (No Latency ΔΣ™) 模数转换器。它能够提供 0.5LSB INL 和 800nVRMS 噪声的性能指针,与 VREF 值无关。两个差分信道交替转换,信道识别码包含在转换结果中。它采用增量累加技朮,提供数字滤波器单次转换中的稳态建立。LTC2436-1 可以通过单只引脚进行配置,可在 50Hz 和 60Hz ±2% 上获得优于 87dB 的输入差模抑制。它还可用一个外部振荡器来驱动,以获得一个用户定义的抑制频率。内部振荡器无需使用外部的频率设定组件。   

转换器可以接受从 0.1V 到 VCC 的任何外部差分基准电压,可灵活实现参数比和远程传感检测配置。全幅差分输入电压范围是从 -0.5˙VREF 到 0.5˙VREF。共模基准电压 VREFCM 和共模输入电压 VINCM 可以分别被设定在 GND 和 VCC 之间的任意值。直流共模输入抑制比超过 140dB。   

LTC2436-1 通过一个灵活的 3 线数字端口通讯,该端口与 SPI 和 MICROWIRE™ 协议兼容。

产品特点 Features
  • 带有自动通道选择 (往复式) 的双通道差分输入
  • 低电源电流:200uA,自动睡眠时 4uA
  • 差分输入和差分基准,共模范围从 GND 到 VCC
  • 0.12LSB INL,无漏码
  • 0.16LSB 满量程误差和 0.006LSB 偏移
  • 800nV RMS 噪声,与VREF 值无关
  • 无延迟:数字滤波器一个周期内即建立稳态,各通道转换均准确
  • 内部振荡器 —— 无需外部元器件
  • 87dB 最小值、50Hz 和 60Hz 的陷波滤波器
  • 窄 SSOP-16 封装
  • 2.7V 到 5.5V 单电源工作
  • 引脚与 24 位 LTC2412 兼容
封装
LTC2436-1 封装
应用
  • 直接传感器数字转换器
  • 称重器
  • 直接温度测量
  • 气体分析器
  • 应变仪变换器
  • 仪表
  • 数据采集
  • 工业过程控制
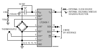
典型应用图
LTC2436-1 典型应用
参数
LTC2436-1 参数
LTC2436-1 订购信息和价格参考Package Variations and Pricing
器件型号 封装 引脚 温度 价格 (以 1 ~ 99 片为批量) 价格 (以 1000 片为批量) *
LTC2436-1CGN SSOP 16 C $2.85  $2.45 
LTC2436-1CGN#PBF SSOP 16 C $2.85  $2.45 
LTC2436-1CGN#TR SSOP 16 C $2.51 
LTC2436-1CGN#TRPBF SSOP 16 C $2.51 
LTC2436-1IGN SSOP 16 I $3.20  $2.75 
LTC2436-1IGN#PBF SSOP 16 I $3.20  $2.75 
LTC2436-1IGN#TR SSOP 16 I $2.81 
LTC2436-1IGN#TRPBF SSOP 16 I $2.81 
LTC2436-1 数据手册及相关资料下载
  1. 数据手册(英文) : LTC2436-1 - 2-Channel Differential Input 16-Bit No Latency Delta Sigma ADC.PDF
  2. 数据手册(中文) : LTC2436-1 - 双通道差分输入 16 位无延迟 ΔΣ 模数转换器.PDF
  3. 可靠性数据 : R411 Reliability Data .PDF
  4. 产品选型卡 : No Latency Delta-Sigma™ ADCs.PDF