LTC2471 具10ppm/ºC 最大值精准基准的可选 250sps/1ksps、16 位、I2C ΔΣ ADC
LTC®2471/LTC2473 是小外形的 16 位模数转换器,具有一个集成的精准基准和一个可选的 250sps 或 1ksps 输出速率。它们采用 2.7V 至 5.5V 单电源,并通过一个 I2C 接口进行通信。LTC2471 是单端器件,具有一个 0V 至 VREF 的输入范围,而 LTC2473 是差分器件,具有一个 ±VREF 的输入范围。这两款 ADC 均包括一个 1.25V 的集成基准,具有 2ppm/ºC 的漂移性能和 0.1% 的初始准确度。这些转换器采用 12 引脚 3mm x 3mm DFN 封装或 MSOP-12 封装。它们包括一个集成振荡器,并执行无延迟的转换操作,旨在满足多工应用的需要。LTC2471/LTC2473 内置一个专有的输入采样电路,与采用传统的 ΔΣ 转换器相比,该电路可将平均输入电流减小几个位的数量级。
在执行完一次转换之后,LTC2471/LTC2473 将自动对转换器进行断电操作,而且也可通过配
置来使基准断电。当 ADC 和基准均被断电时,电源电流将减小至 200nA。
LTC2471/LTC2473 包括一个可由用户来选择的 250sps 或 1ksps 输出速率,而且,由于采用
了一个很大的过采样比 (在 250sps 时为 8,192,而在1ksps 时则为 2,048),因而具有宽松
的抗混叠要求。
产品特点 Features
- 16 位分辨率,无漏失码
- 内置高准确度基准 —— 10ppm/ºC (最大值)
- 单端 (LTC2471) 或差分 (LTC2473)
- 可选的 250sps/1ksps 输出速率
- 1mV 偏移误差
- 0.01% 增益误差
- 单转换周期稳定时间简化了多工应用
- 具自动停机功能的单周期操作
- 3.5mA (典型值) 电源电流
- 2μA (最大值) 睡眠电流
- 内部振荡器 —— 无需采用外部组件
- I2C 接口
- 小外形 12 引脚 3mm x 3mm DFN 封装和 MSOP 封装
封装
| 应用
- 系统监控
- 环境监控
- 直接温度测量
- 仪表
- 工业过程控制
- 数据采集
- 嵌入式 ADC 升级
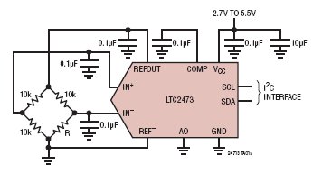
典型应用图
参数
 |
LTC2471 订购信息和价格参考Package Variations and Pricing
| 器件型号 |
封装 |
引脚 |
温度 |
价格 (以 1 ~ 99 片为批量) |
价格 (以 1000 片为批量) * |
| LTC2471CDD#PBF |
DFN |
12 |
C |
$2.36 |
$1.65 |
| LTC2471CDD#TRPBF |
DFN |
12 |
C |
|
$1.71 |
| LTC2471CMS#PBF |
MSOP |
12 |
C |
$2.36 |
$1.65 |
| LTC2471CMS#TRPBF |
MSOP |
12 |
C |
|
$1.71 |
| LTC2471IDD#PBF |
DFN |
12 |
I |
$2.71 |
$1.90 |
| LTC2471IDD#TRPBF |
DFN |
12 |
I |
|
$1.96 |
| LTC2471IMS#PBF |
MSOP |
12 |
I |
$2.71 |
$1.90 |
| LTC2471IMS#TRPBF |
MSOP |
12 |
I |
|
$1.96 |
LTC2471 演示电路板
| 器件型号 |
描述 |
| DC1718A |
LTC2471 - Selectable 250sps/1ksps, 16-Bit I2C Delta Sigma ADCs with 10ppm/C Max Precision Reference (Req DC590B) |
Companion Boards
| 器件型号 |
描述 |
| DC590B |
USB Serial Controller for linear Technology QuikEval Demo Boards |
LTC2471 数据手册及相关资料下载
- 数据手册(英文) : LTC2471/LTC2473 - Selectable 250sps/1ksps, 16-Bit I2C ΔΣ ADCs with 10ppm/°C Max Precision Reference.PDF
- 可靠性数据 : R461 Reliability Data .PDF
- 产品选型卡 : No Latency Delta-Sigma™ ADCs.PDF
- 产品选型卡 : Ultra-Tiny 16-Bit ΔΣ ADC Family.PDF
- 产品新闻发布 (中文) : 可选 250sps/1ksps 的 16 位 ADC 集成最大值为 10ppm/°C 的精确基准.PDF