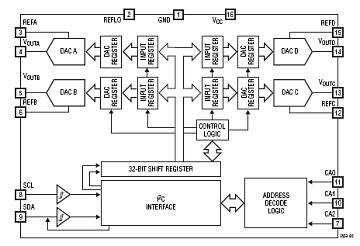
LTC®2609 / LTC2619 / LTC2629 是四通道 16、14 和 12 位、2.7V 至 5.5V 轨至轨电压输出 DAC,采用 16 引脚SSOP 封装。它们具有内置高性能输出缓冲器并保证单调。
这些器件为 16 位和 14 位 DAC 设立了新的电路板密度基准点,并提升了单电源、电压输出 DAC 中的输出驱动和负载调节性能标准。
以上器件采用一个二线式、I2C 兼容型串行接口。LTC2609 / LTC2619 / LTC2629 工作于标准模式 (100kHz 时钟速率) 和快速模式 (400kHz 时钟速率)。
LTC2609 / LTC2619 / LTC2629 内置一个上电复位电路。在上电期间,电压输出上升至比零标度高出不到 10mV;在上电之后,它们将保持于零标度,直到出现一个有效写操作和更新操作为止。上电复位电路把 LTC2609-1 / LTC2619-1 / LTC2629-1 复位至中间标度。电压输出保持在中间标度,直到出现一个有效写操作和更新操作为止。
产品特点 Features
封装
| 应用
典型应用图
参数![]() |
|---|
| 器件型号 | 封装 | 引脚 | 温度 | 价格 (以 1 ~ 99 片为批量) | 价格 (以 1000 片为批量) * |
| LTC2609CGN | SSOP | 16 | C | $13.57 | $9.50 |
| LTC2609CGN#PBF | SSOP | 16 | C | $13.57 | $9.50 |
| LTC2609CGN#TR | SSOP | 16 | C | $9.56 | |
| LTC2609CGN#TRPBF | SSOP | 16 | C | $9.56 | |
| LTC2609CGN-1 | SSOP | 16 | C | $13.57 | $9.50 |
| LTC2609CGN-1#PBF | SSOP | 16 | C | $13.57 | $9.50 |
| LTC2609CGN-1#TR | SSOP | 16 | C | $9.56 | |
| LTC2609CGN-1#TRPBF | SSOP | 16 | C | $9.56 | |
| LTC2609IGN | SSOP | 16 | I | $16.29 | $11.40 |
| LTC2609IGN#PBF | SSOP | 16 | I | $16.29 | $11.40 |
| LTC2609IGN#TR | SSOP | 16 | I | $11.46 | |
| LTC2609IGN#TRPBF | SSOP | 16 | I | $11.46 | |
| LTC2609IGN-1 | SSOP | 16 | I | $16.29 | $11.40 |
| LTC2609IGN-1#PBF | SSOP | 16 | I | $16.29 | $11.40 |
| LTC2609IGN-1#TR | SSOP | 16 | I | $11.46 | |
| LTC2609IGN-1#TRPBF | SSOP | 16 | I | $11.46 |
| 器件型号 | 描述 |
| DC936A | LTC2609 Quad, 16-bit Vout DAC (Req. DC590) |
| 器件型号 | 描述 |
| DC590B | USB Serial Controller for linear Technology QuikEval Demo Boards |