LTC2619 具 I2C 接口的四通道 14 位轨至轨 DAC

LTC®2609 / LTC2619 / LTC2629 是四通道 16、14 和 12 位、2.7V 至 5.5V 轨至轨电压输出 DAC,采用 16 引脚SSOP 封装。它们具有内置高性能输出缓冲器并保证单调。

这些器件为 16 位和 14 位 DAC 设立了新的电路板密度基准点,并提升了单电源、电压输出 DAC 中的输出驱动和负载调节性能标准。

以上器件采用一个二线式、I2C 兼容型串行接口。LTC2609 / LTC2619 / LTC2629 工作于标准模式 (100kHz 时钟速率) 和快速模式 (400kHz 时钟速率)。

LTC2609 / LTC2619 / LTC2629 内置一个上电复位电路。在上电期间,电压输出上升至比零标度高出不到 10mV;在上电之后,它们将保持于零标度,直到出现一个有效写操作和更新操作为止。上电复位电路把 LTC2609-1 / LTC2619-1 / LTC2629-1 复位至中间标度。电压输出保持在中间标度,直到出现一个有效写操作和更新操作为止。

产品特点 Features
  • 外形尺寸最小的引脚兼容型四通道 DAC:
        LTC2609:16 位
        LTC2619:14 位
        LTC2629:12 位
  • 在整个温度范围内保证单调
  • 分离的基准输出
  • 27 个可选地址
  • 400kHz I2CTM 接口
  • 2.7V 至 5.5V 宽电源范围
  • 低功率操作:每个 DAC 的电源电流为 250µA (在 3V)
  • 个别通道断电至 1µA (最大值)
  • 高轨至轨输出驱动 (±15mA,最小值)
  • DAC 之间的超低串扰 (5µV)
  • LTC2609 / LTC2619 / LTC2629:上电复位至零标度
  • LTC2609-1 / LTC2619-1 / LTC2629-1:上电复位至中间标度
  • 纤巧型 16 引脚窄体 SSOP 封装
封装
LTC2619 参数
应用
  • 移动通信
  • 过程控制和工业自动化
  • 自动测试设备和仪表
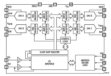
典型应用图
LTC2619 典型应用
参数
LTC2619 参数
LTC2619 订购信息和价格参考Package Variations and Pricing
器件型号 封装 引脚 温度 价格 (以 1 ~ 99 片为批量) 价格 (以 1000 片为批量) *
LTC2619CGN SSOP 16 C $13.57  $9.50 
LTC2619CGN#PBF SSOP 16 C $13.57  $9.50 
LTC2619CGN#TR SSOP 16 C $9.56 
LTC2619CGN#TRPBF SSOP 16 C $9.56 
LTC2619CGN-1 SSOP 16 C $13.57  $9.50 
LTC2619CGN-1#PBF SSOP 16 C $13.57  $9.50 
LTC2619CGN-1#TR SSOP 16 C $9.56 
LTC2619CGN-1#TRPBF SSOP 16 C $9.56 
LTC2619IGN SSOP 16 I $16.29  $11.40 
LTC2619IGN#PBF SSOP 16 I $16.29  $11.40 
LTC2619IGN#TR SSOP 16 I $11.46 
LTC2619IGN#TRPBF SSOP 16 I $11.46 
LTC2619IGN-1 SSOP 16 I $16.29  $11.40 
LTC2619IGN-1#PBF SSOP 16 I $16.29  $11.40 
LTC2619IGN-1#TR SSOP 16 I $11.46 
LTC2619IGN-1#TRPBF SSOP 16 I $11.46 
LTC2619 数据手册及相关资料下载
  1. 数据手册(英文) : LTC2609/LTC2619/LTC2629 - Quad 16-/14-/12-Bit Rail-to-Rail DACs with I2C Interface.PDF
  2. 可靠性数据 : R461 Reliability Data .PDF
  3. 产品选型卡 : Voltage Output DACs.PDF
  4. 产品新闻发布 (中文) : 具有 I2C 接口、采用纤巧型 3mm2 封装的 16 位单调 VOUT DAC.PDF