LTC2704-14 具回读功能的四通道 14 位电压输出 SoftSpan DAC
LTC®2704-16 / LTC2704-14 / LTC2704-12 是串行输入、16/14/12 位、电压输出 SoftSpanTM DAC,采用 3V 至 5V 逻辑和 ±5V 至 ±15V 模拟工作电源。SoftSpan 提供了 6 种输出范围 (2 种单极和 4 种双极),全部可以通过三线式 SPI 串行接口进行编程。INL 的准确度达 1LSB (LTC2704-16 为 2LSB)。所有器件版本的 DNL 准确度均达 1LSB。
回读命令可在仅仅一个 24 位或 32 位指令周期内完成任何片内寄存器的验证。所有其他命令从 LTC2704 产生一个 "滚动回读" 响应,从而大幅度地减少所需的指令周期数。
睡眠命令允许关断任何的 DAC 组合。另外还有一个用于每个通道的复位标记和偏移调节引脚。
产品特点 Features
- 6 种可编程输出范围:
单极:0V 至 5V、0V 至 10V
双极:±5V、±10V、±2.5V、-2.5V 至 7.5V
- 所有片内寄存器的串行回读
- 在工业温度范围内实现 1LSB INL 和 DNL (LTC2704-14 / LTC2704-12)
- 加压 / 检测输出实现远端采样
- 干扰脉冲:< 2nV-sec
- 输出驱动 ±5mA
- 引脚兼容的 12 位、14 位和 16 位器件
- 上电和清至 0V
- 44 引脚 SSOP 封装
封装
| 应用
- 过程控制和工业自动化
- 直接数字波形发生
- 软件控制型增益调节
- 自动化测试设备
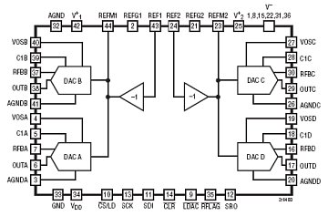
典型应用图
参数
 |
LTC2704-14 订购信息和价格参考Package Variations and Pricing
| 器件型号 |
封装 |
引脚 |
温度 |
价格 (以 1 ~ 99 片为批量) |
价格 (以 1000 片为批量) * |
| LTC2704CGW-12 |
SSOP |
44 |
C |
$29.21 |
$19.95 |
| LTC2704CGW-12#PBF |
SSOP |
44 |
C |
$29.21 |
$19.95 |
| LTC2704CGW-12#TR |
SSOP |
44 |
C |
|
$20.01 |
| LTC2704CGW-12#TRPBF |
SSOP |
44 |
C |
|
$20.01 |
| LTC2704CGW-14 |
SSOP |
44 |
C |
$36.54 |
$24.95 |
| LTC2704CGW-14#PBF |
SSOP |
44 |
C |
$36.54 |
$24.95 |
| LTC2704CGW-14#TR |
SSOP |
44 |
C |
|
$25.01 |
| LTC2704CGW-14#TRPBF |
SSOP |
44 |
C |
|
$25.01 |
| LTC2704CGW-16 |
SSOP |
44 |
C |
$43.86 |
$29.95 |
| LTC2704CGW-16#PBF |
SSOP |
44 |
C |
$43.86 |
$29.95 |
| LTC2704CGW-16#TR |
SSOP |
44 |
C |
|
$30.01 |
| LTC2704CGW-16#TRPBF |
SSOP |
44 |
C |
|
$30.01 |
| LTC2704IGW-12 |
SSOP |
44 |
I |
$35.07 |
$23.95 |
| LTC2704IGW-12#PBF |
SSOP |
44 |
I |
$35.07 |
$23.95 |
| LTC2704IGW-12#TR |
SOT |
44 |
I |
|
$24.01 |
| LTC2704IGW-12#TRPBF |
SSOP |
44 |
I |
|
$24.01 |
| LTC2704IGW-14 |
SSOP |
44 |
I |
$43.86 |
$29.95 |
| LTC2704IGW-14#PBF |
SSOP |
44 |
I |
$43.86 |
$29.95 |
| LTC2704IGW-14#TR |
SSOP |
44 |
I |
|
$30.01 |
| LTC2704IGW-14#TRPBF |
SSOP |
44 |
I |
|
$30.01 |
| LTC2704IGW-16 |
SSOP |
44 |
I |
$52.64 |
$35.95 |
| LTC2704IGW-16#PBF |
SSOP |
44 |
I |
$52.64 |
$35.95 |
| LTC2704IGW-16#TR |
SSOP |
44 |
I |
|
$36.01 |
| LTC2704IGW-16#TRPBF |
SSOP |
44 |
I |
|
$36.01 |
LTC2704-14 演示电路板
| 器件型号 |
描述 |
| DC752A-B |
LTC2704 16 Bit Quad Vout DAC , (req DC590) |
Companion Boards
| 器件型号 |
描述 |
| DC590B |
USB Serial Controller for linear Technology QuikEval Demo Boards |
LTC2704-14 数据手册及相关资料下载
- 数据手册(英文) : LTC2704 - Quad 12-, 14-, and 16-Bit Voltage Output SoftSpan DACs with Readback.PDF
- 设计要点 (中文) : DN431 - 工业和控制应用的高集成度四通道 16 位、SoftSpanTM、电压输出 DAC.PDF
- 设计要点 (英文) : DN431 - Highly Integrated Quad 16-Bit, SoftSpan, Voltage Output DAC for Industrial and Control Applications.PDF
- 可靠性数据 : R519 Reliability Data .PDF
- 产品选型卡 : Voltage Output DACs.PDF