LTC3537 2.2MHz、600mA 同步升压型 DC/DC 转换器和 100mA LDO
LTC®3537 把一个高效率、2.2MHz 升压型 DC/DC 转换器与一个独立的 100mA 低压差稳压器 (LDO) 组合在一起。升压转换器从一个低至 0.68V 的输入电压起动,并包含一个内部 0.4Ω 开关和一个 0.6Ω 同步整流器 (当在停机模式中被停用时,它将与输出断接)。
2.2MHz 的开关频率允许使用纤巧、扁平的电感器和陶瓷电容器,因而最大限度地缩小了解决方案的占板面积。电流模式 PWM 设计在内部进行补偿,从而减少了外部组件的数目。在检测到轻负载电流之前,该器件将保持固定频率开关操作,随后即执行突发模式操作以实现效率的最大化。如欲执行低噪声操作,则可停用突发模式操作。抗振铃电路通过在断续操作模式中对电感器进行阻尼来降低 EMI。其他的特点包括低停机电流 (低于 1μA) 和热过载保护。
集成 LDO 稳压器提供了一个具非常低噪声的可编程、低压差电源。
产品特点 Features
- 高效率升压型 DC/DC 转换器和 LDO
升压
- VIN:0.68V 至 5V,VOUT:1.5V 至 5.25V
- IOUT:100mA (在 3.3V),VIN > 0.8V
- 2.2MHz 固定频率操作
- 具输出断接功能的同步整流器
- 突发模式 (Burst Mode®) 操作 (可利用引脚来选择)
线性 LDO 稳压器
- VIN:1.8V 至 5.5V,VOUT:0.6V 至 5.5,IOUT:100mA
- 100mV 压差电压 (在 50mA)
- 24dB 纹波抑制 (在 fSW)
结合
- 电源良好指示器
- 低电池电量比较器
- 30μA IQ
- 扁平 3mm x 3mm x 0.75mm 封装
|
应用
- 无线传声器
- 便携式医疗仪器
- 噪声消除 / 便携头戴式耳机
- RF 和音频功率
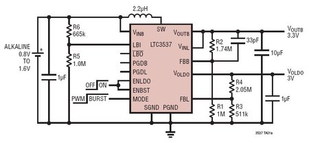
典型应用图
参数
 |
LTC3537 订购信息和价格参考Package Variations and Pricing
| 器件型号 |
封装 |
引脚 |
温度 |
价格 (以 1 ~ 99 片为批量) |
价格 (以 1000 片为批量) * |
| LTC3537EUD#PBF |
QFN |
16 |
E |
$3.43 |
$2.40 |
| LTC3537EUD#TRPBF |
QFN |
16 |
E |
|
$2.46 |
LTC3537 数据手册及相关资料下载
- 数据手册(英文) : LTC3537 - 2.2 MHz, 600mA Synchronous Step-Up DC/DC Converter and 100mA LDO.PDF
- 产品选型卡 : Energy Harvesting Portfolio.PDF
- 可靠性数据 : R415 Reliability Data .PDF