LTC3569 具有一个 1.2A 和两个 600mA 输出及单独可编程基准的三通道降压型稳压器

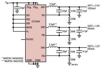
LTC®3569 包含 3 个单片式、同步降压型 DC/DC 转换器。该器件是为在中等功率应用,其工作输入电压范围为 2.5V 至 5.5V。工作频率的可调范围从 1MHz 至 3MHz,因而允许使用纤巧、低成本的电容器和电感器。通过对 EN 引脚进行多达 15 次电平变换,并降低 800mV FB 基准 (降幅为每个周期 25mV),可对 3 个输出电压实施独立设置。第一个降压型稳压器提供了高达 1200mA 的负载电流。另外两个降压型稳压器则各提供 600mA。

另外,也可以通过配置来使两个 600mA 降压型稳压器起受控电源级的作用,并与另一个内部降压型稳压器并联运行,以提供较高的负载电流。当起并联和从属输出级作用时,分立式外部组件被共用,而且可用的输出电流相加在一起。

产品特点 Features
  • 三个独立的电流模式降压型 DC/DC 稳压器 (一个 1.2A 和两个 600mA)
  • 单引脚可设置 VFB 伺服电压从 800mV 到低至 425mV (步幅为 25mV)
  • 把 VFB 拉至高电平,以使每个 600mA 降压型稳压器成为一个用于较高电流运作的从属电源
  • 脉冲跳跃或突发模式 (Burst Mode®) 操作
  • 可编程开关频率 (1MHz 至 3MHz) 或固定 2.25MHz
  • 可同步 (1.2MHz 至 3MHz)
  • VIN 范围:2.5V 至 5.5V
  • 所有稳压器均在内部进行补偿
  • PGOOD 输出标记
  • 静态电流 <100μA (所有稳压器均处于突发模式操作)
  • 零停机电流
  • 具过热和短路保护功能
  • 纤巧型 3mm x 3mm 20 引脚 QFN 和耐热性能增强型 TSSOP FE-16 封装
应用
  • 具有多个电源轨的便携式应用
  • 通用降压型 DC/DC 转换
  • 动态电压调节应用
典型应用图
LTC3569 典型应用
参数
LTC3569 参数
LTC3569 订购信息和价格参考Package Variations and Pricing
器件型号 封装 引脚 温度 价格 (以 1 ~ 99 片为批量) 价格 (以 1000 片为批量) *
LTC3569EFE#PBF TSSOP 16 E $4.57  $3.20 
LTC3569EFE#TRPBF TSSOP 16 E $3.26 
LTC3569EUD#PBF QFN 16 E $4.43  $3.10 
LTC3569EUD#TRPBF QFN 16 E $3.16 
LTC3569EUDC#PBF QFN 16 E $4.43  $3.10 
LTC3569EUDC#TRPBF QFN 16 E $3.16 
LTC3569IFE#PBF TSSOP 16 I $5.36  $3.75 
LTC3569IFE#TRPBF TSSOP 16 I $3.81 
LTC3569IUD#PBF QFN 16 I $5.22  $3.65 
LTC3569IUD#TRPBF QFN 16 I $3.71 
LTC3569IUDC#PBF QFN 16 I $5.22  $3.65 
LTC3569IUDC#TRPBF QFN 16 I $3.71 
LTC3569 数据手册及相关资料下载
  1. 数据手册(英文) : LTC3569 - Triple Buck Regulator With 1.2A and Two 600mA Outputs and Individual.PDF
  2. 产品选型卡 : Energy Harvesting Portfolio.PDF
  3. 可靠性数据 : R415 Reliability Data .PDF