LTC3785-1 具电源良好指示功能的 10V、高效率、降压-升压型控制器

LTC®3785-1 是一款高功率同步降压-升压型控制器,可从高于、低于和等于输出电压的输入电压来驱动全 N 沟道功率 MOSFET。凭借一个 2.7V 至 10V 的输入范围,LTC3785-1 非常适合于各种单节或双节锂离子电池或多节碱性/镍氢 (NiMH) 电池应用。

其工作频率可在 100kHz 至 1MHz 范围内进行设置。软起动时间和电流限值也是可编程的。软起动电容器兼用作故障定时器,可将 IC 设置为在一个确定的关断时间之后锁断或再循环。突发模式操作由用户来控制,并可通过把 MODE 引脚驱动至高电平来启用。LTC3785-1 包括一个电源良好输出,当输出电压处于其设计调整点的 7.5% 以内时,该输出将发出指示信号。

保护功能包括折返电流限制、短路保护和过压保护。

产品特点 Features
  • 单电感器架构允许 VIN 高于、低于或等于 VOUT
  • 电源良好输出指示器
  • 2.7V 至 10V 输入和输出范围
  • 效率高达 96%
  • 输出电流高达 10A
  • 全 N 沟道 MOSFET,无检测电阻器 (No RSENSETM)
  • 在停机期间实现了真正的输出断接
  • 具可编程电流限值和软起动功能
  • 可任选的短路停机定时器
  • 具输出过压和欠压保护功能
  • 可编程频率:100kHz 至 1MHz
  • 可选的突发模式 (Burst Mode®) 控制
  • 采用 24 引脚 (4mm x 4mm) 裸露衬垫 QFN 封装
参数
LTC3785-1 参数
应用
  • 掌上型电脑
  • 手持式仪器
  • 无线调制解调器
  • 蜂窝电话
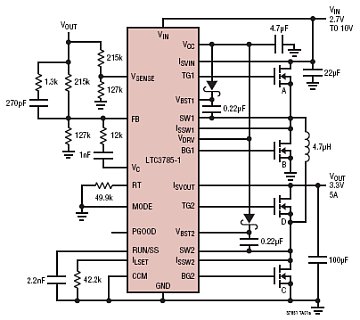
典型应用图
LTC3785-1 典型应用
LTC3785-1 订购信息和价格参考Package Variations and Pricing
器件型号 封装 引脚 温度 价格 (以 1 ~ 99 片为批量) 价格 (以 1000 片为批量) *
LTC3785EUF#PBF QFN 24 E $5.09  $3.56 
LTC3785EUF#TRPBF QFN 24 E $3.62 
LTC3785EUF-1#PBF QFN 24 E $5.36  $3.75 
LTC3785EUF-1#TRPBF QFN 24 E $3.81 
LTC3785IUF#PBF QFN 24 I $5.54  $3.88 
LTC3785IUF#TRPBF QFN 24 I $3.94 
LTC3785-1 数据手册及相关资料下载
  1. 数据手册(英文) : LTC3785-1 - 10V, High Efficiency, Buck-Boost Controller with Power Good.PDF
  2. 可靠性数据 : R533 Reliability Data .PDF