LTC3829A 具差分放大器的三相、单路输出、同步降压型 DC/DC 控制器

LTC®3829 是一款高性能、三相、单路输出、同步降压型 DC/DC 开关控制器,用于驱动全 N 沟道同步功率 MOSFET 级。一种恒定频率电流模式架构可提供一个高达 770kHz 的可锁相频率。通过使三个控制器输出级异相运作,最大限度地降低了由于输入电容器的 ESR 所引起的功率损失和噪声。

LTC3829 可针对 6 相操作进行配置,具有 DCR 温度补偿和输出折返电流限制功能。该器件具有一个精准的 0.6V 基准和一个电源良好指示器。

通过选择使用输出逐级递减或突发模式操作,优化了轻负载时的效率。在负载点上,一个差分放大器提供了真正的输出电压远端采样。

LTC3829 可采用扁平的 38 引脚 5mm x 7mm QFN 封装和裸露衬垫 FE 封装。

产品特点 Features
  • 可任选的非线性控制用于实现快速响应
  • ±0.75%、0.6V 基准准确度
  • PWM、逐级递减 (Stage SheddingTM) 或突发模式 (Burst Mode®) 操作
  • 高效率:达 95%
  • RSENSE 或 DCR 电流检测
  • 可编程 DCR 温度补偿
  • 可锁相固定频率:250kHz 至 770kHz
  • 真正的远端采样差分放大器
  • 可编程有源电压定位 (AVP)
  • 三路 N 沟道 MOSFET 同步驱动
  • 宽 VIN 范围:工作时为 4.5V 至 38V
  • VOUT 范围:0.6V 至 5V (未采用差分放大器)
  • VOUT 范围:0.6V 至 3.3V (采用差分放大器)
  • 用于 6 相运作的时钟输入和输出
  • 可调软起动或 VOUT 跟踪
  • 38 引脚 (5mm x 7mm) QFN 封装和 FE封装
应用
  • 笔记本电脑和掌上型电脑
  • 电信系统
  • 便携式仪器
  • DC 功率分配系统
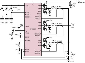
典型应用图
LTC3829 典型应用
参数
LTC3829 参数
LTC3829A 订购信息和价格参考Package Variations and Pricing
器件型号 封装 引脚 温度 价格 (以 1 ~ 99 片为批量) 价格 (以 1000 片为批量) *
LTC3829EFE#PBF TSSOP 38 E $5.80  $4.06 
LTC3829EFE#TRPBF TSSOP 38 E $4.12 
LTC3829EUHF#PBF QFN 38 E $5.30  $3.71 
LTC3829EUHF#TRPBF QFN 38 E $3.77 
LTC3829IFE#PBF TSSOP 38 I $6.56  $4.59 
LTC3829IFE#TRPBF TSSOP 38 I $4.65 
LTC3829IUHF#PBF QFN 38 I $6.13  $4.29 
LTC3829IUHF#TRPBF QFN 38 I $4.35 
LTC3829A 数据手册及相关资料下载
  1. 数据手册(英文) : LTC3829 - 3-Phase, Single Output Synchronous Step-Down DC/DC Controller with Diffamp.PDF
  2. 可靠性数据 : R384 Reliability Data .PDF