LTC3860 具均流功能的双通道、多相、降压型电压模式 DC/DC 控制器

LTC®3860 是一款双通道、PolyPhase® 同步降压型开关稳压器控制器,用于高电流分布式电源系统、数字信号处理器、以及其他电信和工业 DC/DC 电源。它采用了一种恒定频率电压模式架构,并组合了非常低失调、高带宽误差放大器和一个远端输出检测差分放大器,旨在实现超卓的瞬态响应和输出调节性能。

该控制器运用了无损耗电感器 DCR 电流检测,以维持相位之间的电流平衡并提供过流保护。该芯片可在一个 3V 至 5.5V 的 VCC 电源范围内运作,并专为实现从 3V ~ 24V 的 VIN 至 0.6V ~ (VCC – 0.5V) 输出电压的降压转换而设计。

TRACK/SS 引脚提供了可编程软起动或跟踪功能。电感器电流反向在软起动期间停用,以安全地为预偏置负载供电。恒定的工作频率可同步至一个外部时钟或在 250kHz 至 1.25MHz 的范围内进行线性设置。多达 6 个 LTC3860 控制器能够并联起来工作,以实现 1、2、3、4、6 或 12 相操作。

LTC3680 采用 32 引脚 5mm x 5mm QFN 封装。

产品特点 Features
  • 与功率构件、DRMOS 或外部栅极驱动器和 MOSFET 工作
  • 具准确均流功能的恒定频率电压模式控制
  • ±0.75% 0.6V 电压基准
  • 差分远端输出电压检测放大器
  • 多相能力 —— 多达 12 相工作
  • 可编程电流限值
  • 可安全地给一个预偏置负载供电
  • 高达 1.25MHz 的可编程或 PLL 可同步开关频率
  • 采用电感器 DCR 的无损耗电流检测或采用检测电阻器的精准电流检测
  • VCC 范围:3V 至 5.5V
  • VIN 范围:3V 至 24V
  • 电源良好输出电压监视器
  • 输出电压跟踪能力
  • 可编程软起动
  • 采用 32 引脚 5mm x 5mm QFN 封装
应用
  • 高电流分布式电源系统
  • 数字信号处理器和 ASIC 电源
  • 电信系统
  • 工业电源
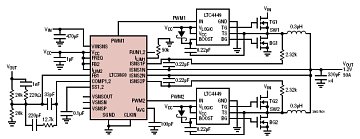
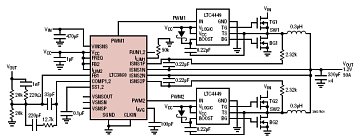
典型应用图
LTC3860 典型应用
参数
LTC3860 参数
LTC3860 订购信息和价格参考Package Variations and Pricing
器件型号 封装 引脚 温度 价格 (以 1 ~ 99 片为批量) 价格 (以 1000 片为批量) *
LTC3860EUH#PBF QFN 32 E $3.70  $2.59 
LTC3860EUH#TRPBF QFN 32 E $2.65 
LTC3860IUH#PBF QFN 32 I $4.26  $2.98 
LTC3860IUH#TRPBF QFN 32 I $3.04 
LTC3860 数据手册及相关资料下载
  1. 数据手册(英文) : LTC3860 - Dual, Multiphase Step-Down Voltage Mode DC/DC Controller with Current Sharing.PDF
  2. 可靠性数据 : R415 Reliability Data .PDF