LTC3880 具数字电源系统管理功能的双通道输出多相降压型 DC/DC 控制器

LTC®3880 / LTC3880-1 是一款双通道、多相 DC/DC 同步降压型开关稳压控制器,具有一个符合基于 I2C 的 PMBus 标准的串行接口。该控制器运用了一种恒定频率、电流模式架构,该器件得到了具有易用型图形用户界面 (GUI) 的 LTpowerPlayTM 软件开发系统的支持。

开关频率、输出电压和器件地址可采用外部配置电阻器来设置。此外,参数还可以通过数字接口来设定或存储于 EEPROM 中。电压、电流、内部 / 外部温度和故障状态则可通过总线接口来回读。

LTC3880 / LTC3880-1 可针对突发模式 (Burst Mode®) 操作、不连续 (脉冲跳跃) 模式或连续电感器电流模式进行配置。LTC3880 内置了一个 5V 线性稳压器,而 LTC3880-1 则采用了一个外部 5V 电源以尽可能地降低功率损失。

产品特点 Features
  • 符合 PMBus / I2C 标准的串行接口
       - 遥测回读包括 VIN、IIN、VOUT、IOUT、温度和故障
       - 可编程电压、电流限值、数字软起动 / 停止、排序、裕度调节、
          OV / UV 和频率同步 (250kHz 至 1MHz)
  • 在整个温度范围内实现 ±0.5% 的输出电压准确度
  • 集成型 16 位 ADC
  • 内部 EEPROM 和故障记录
  • 强大的集成型 N 沟道 MOSFET 栅极驱动器 

 功率转换

  • 宽 VIN 范围:4.5V 至 24V
  • VOUT 范围:0.5V 至 5.5V
  • 模拟电流模式控制环路
  • 支持对预偏置负载进行上电操作
  • 可为多达 6 个相位提供准确的多相 (PolyPhase®) 均流
  • 采用 40 引脚 (6mm x 6mm) QFN 封装
封装
LTC3880 封装
应用
  • 大电流分布式电源系统
  • 电信、数据通信和存储系统
  • 智能型高效率功率调节
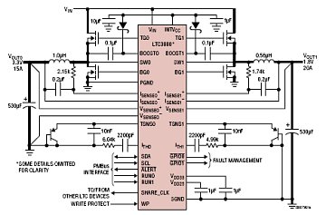
典型应用图
LTC3880 典型应用
参数
LTC3880 参数
LTC3880 订购信息和价格参考Package Variations and Pricing
器件型号 封装 引脚 温度 价格 (以 1 ~ 99 片为批量) 价格 (以 1000 片为批量) *
LTC3880EUJ#PBF QFN 40 E $7.64  $5.35 
LTC3880EUJ#TRPBF QFN 40 E $5.41 
LTC3880EUJ-1#PBF QFN 40 E $7.64  $5.35 
LTC3880EUJ-1#TRPBF QFN 40 E $5.41 
LTC3880IUJ#PBF QFN 40 I $8.40  $5.88 
LTC3880IUJ#TRPBF QFN 40 I $5.94 
LTC3880IUJ-1#PBF QFN 40 I $8.40  $5.88 
LTC3880IUJ-1#TRPBF QFN 40 I $5.94 
演示电路板
器件型号 描述
DC1590B-A LTC3880EUJ Demo Board I RSense Demo Board I Vin Range: 6.5V to 24V, VOUT0: 0.5V to 4V @ 20A, VOUT1 : 0.5V to 5V @ 20A, PMBus Controlled, works w/ DC1613A
DC1590B-B LTC3880EUJ Demo Board I DCR Sense Demo Board I Vin Range: 6.5V to 24V, VOUT0: 0.5V to 4V @ 20A, VOUT1 : 0.5V to 5V @ 20A, PMBus Controlled, works w/ DC1613A
DC1709A LTC38880/-1 Demo Board I Programming Clamshell Socketed Demo Board
DC1753A-A LTC3880EUJ Dual Phase Single Output Demo Board | 6.5V < VIN < 24V; 0.5V < VOUT < 3.3V @ 40A, with RSENSE Current Sense
DC1753A-B LTC3880EUJ Dual Phase Single Output Demo Board | 6.5V < VIN < 24V; 0.5V < VOUT < 3.3V @ 40A, with DCR Current Sense
LTC3880 数据手册及相关资料下载
  1. 数据手册(英文) : LTC3880/LTC3880-1 - Dual Output PolyPhase Step-Down DC/DC Controller with Digital Power System Management.PDF
  2. 可靠性数据 : R526 Reliability Data .PDF
  3. 应用指南 (英文) : AN135 - Implementing Robust PMBus System Software for the LTC3880.PDF
  4. 应用指南 (英文) : AN137 - Accurate Temperature Sensing with an External P-N Junction.PDF
  5. 产品选型卡 : Power System Management.PDF
  6. LT Journal : Dual Output DC/DC Controller Combines Digital Power System Management with Analog Control Loop for ±0.5% VOUT Accuracy.PDF