LTC4417 确定了优先级的 PowerPathTM 控制器

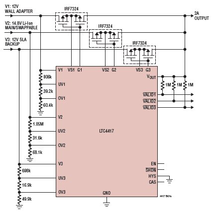
LTC®4417 可根据优先级将三个有效电源之一连接至一个公共输出。优先级由引脚分配来确定,V1 被分配了最高的优先级,而 V3 则为最低的优先级。当某个电源的电压连续处于其过压 (OV) 或欠压 (UV) 窗口之内的时间至少为 256ms 时,此电源就被定义为“有效”。假如优先级最高的有效输入脱离了 OV/UV 窗口,则立即将该通道断接,并把优先级次高的有效输入连接至公共输出。可以将 2 个或更多的 LTC4417 级联起来以在多于 3 个输入之间提供切换。

LTC4417 内置了快速非重叠开关电路以防止发生反向和交叉传导,同时尽量地减少电压降。栅极驱动器包括一个 6V 箝位以保护外部 MOSFET。一种受控的输出斜坡特性可最大限度地减小启动浪涌电流。当输入电源处于其 OV/UV 窗口之内的持续时间达到 256ms 时,漏极开路 VALID 输出将发出指示信号。

产品特点 Features
  • 从三个输入中选择优先级最高的电源
  • 可隔离反向和交叉传导电流
  • 宽工作电压范围:2.5V 至 36V
  • 可针对电池反接提供 –42V 保护
  • 快速切换可最大限度地减少输出电压降
  • 28μA 的低工作电流
  • 从低于 VOUT 的电源吸收
  • 1.5% 输入过压 / 欠压保护
  • 可调过压 / 欠压迟滞
  • P 沟道 MOSFET 栅极保护箝位
  • 可级联以适合更多的输入电源
  • 24 引脚窄体 SSOP 封装和 4mm x 4mm QFN 封装
参数
LTC4417 参数
应用
  • 工业手持式仪器
  • 高可用性系统
  • 电池后备系统
  • 服务器和计算机外设
典型应用图
LTC4417 典型应用
LTC4417 订购信息和价格参考Package Variations and Pricing
器件型号 封装 引脚 温度 价格 (以 1 ~ 99 片为批量) 价格 (以 1000 片为批量) *
LTC4417CGN#PBF SSOP 24 C $4.50 $3.15
LTC4417CGN#TRPBF SSOP 24 C $3.21
LTC4417CUF#PBF QFN 24 C $4.36 $3.05
LTC4417CUF#TRPBF QFN 24 C $3.11
LTC4417HGN#PBF SSOP 24 H $5.93 $4.15
LTC4417HGN#TRPBF SSOP 24 H $4.21
LTC4417HUF#PBF QFN 24 H $5.78 $4.05
LTC4417HUF#TRPBF QFN 24 H $4.11
LTC4417IGN#PBF SSOP 24 I $5.14 $3.60
LTC4417IGN#TRPBF SSOP 24 I $3.66
LTC4417IUF#PBF QFN 24 I $5.00 $3.50
LTC4417IUF#TRPBF QFN 24 I $3.56
LTC4417 数据手册及相关资料下载
  1. 数据手册 (英文) : LTC4417 - Prioritized PowerPath™ Controller.PDF
  2. 设计要点 (中文) : DN450 - 对于电源故障保护应用,超级电容器能够替代后备电池.PDF
  3. 设计要点 (中文) : DN485 - 完全利用能量以将超级电容器驾驭应用电路的运行时间延长 40%.PDF
  4. 可靠性数据 : R384 Reliability Data .PDF
  5. 产品选型卡 : PowerPath Controllers, Ideal Diodes.PDF