LTC485 低功率 RS485 接口收发器

LTC®485 是一款低功率差分总线 / 线路驱动器,专为多点数据传输标准 RS485 应用而设计,具有扩展的共模范围 (12V 至 -7V)。它也符合 RS422 的要求。

与其双极型同类设计相比,CMOS 设计提供了显著的节能效果,而且并未牺牲针对过载的 ESD 损害的坚固性。

驱动器和接收器具有三态输出,且驱动器输出在整个共模范围内保持高阻抗。热停机电路用于防止由总线争用或故障所引起的过大功率消耗,该电路强制驱动器输出进入一种高阻抗状态。

这款接收器具有一种故障保险功能,它可以在输入被置于开路状态时确保一种高输出状态。

LTC485 具有完整的商业和扩展工业温度范围规格。

产品特点 Features
  • 低功率:ICC = 300μA (典型值)
  • 专为 RS485 接口应用而设计
  • 单 5V 电源
  • -7V 至 12V 总线共模范围允许总线上的器件之间存在 ±7V 的地电位差
  • 热停机保护功能
  • 上电 / 断电无干扰驱动器输出允许进行收发器的带电插拔操作
  • 驱动器在三态或电源关断的情况下保持高阻抗
  • 一个驱动器输出和接收器的组合阻抗允许在总线上连接多达 32 个收发器
  • 70mV 典型输入迟滞
  • 于 5ns 变化时的典型驱动器传播延迟为 30ns (用于高达 2.5MB 操作)
  • 引脚与具有 ±60V 电压保护能力的 LT1785 和 52Mbps LTC1685 相兼容
应用
  • 低功率 RS485 / RS422 驱动器
  • 电平变换器
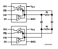
典型应用图
LTC485 典型应用
参数
LTC485 参数
LTC485 订购信息和价格参考Package Variations and Pricing
器件型号 封装 引脚 温度 价格 (以 1 ~ 99 片为批量) 价格 (以 1000 片为批量) *
LTC485CN8 PDIP 8 C $1.65 $1.30
LTC485CN8#PBF PDIP 8 C $1.65 $1.30
LTC485CS8 SO 8 C $2.10 $1.65
LTC485CS8#PBF SO 8 C $2.10 $1.65
LTC485CS8#TR SO 8 C $1.71
LTC485CS8#TRPBF SO 8 C $1.71
LTC485IN8 PDIP 8 I $2.25 $1.80
LTC485IN8#PBF PDIP 8 I $2.25 $1.80
LTC485IS8 SO 8 I $2.75 $2.25
LTC485IS8#PBF SO 8 I $2.75 $2.25
LTC485IS8#TR SO 8 I $2.31
LTC485IS8#TRPBF SO 8 I $2.31
LTC485 数据手册及相关资料下载
  1. 数据手册 (英文) : LTC485 - Low Power RS485 Interface Transceiver.PDF
  2. 设计要点 (英文) : DN102 - RS485 Transceivers Reduce Power and EMI.PDF
  3. 设计要点 (英文) : DN39 - Low Power CMOS RS485 Transceiver.PDF
  4. 可靠性数据 : R113 Reliability Data .PDF
  5. 产品选型卡 : Ultra Rugged ±60V RS485 Transceivers.PDF
  6. 产品选型卡 : RS485 Quick Guide.PDF