LTM9003-AA 12 位数字预失真 µModule 接收器子系统

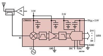
LTM®9003 是一款 12 位数字预失真 µModule® 接收器子系统,用于蜂窝基站的发送路径。该器件采用了一种集成系统级封装 (SiP) 技术,内置一个下变频混频器、宽带滤波器和模数转换器 (ADC) 。该系统针对一个 184MHz 中频 (IF) 和一个高达 125MHz 信号带宽进行相应的调整。这款 12 位 ADC 的采样速率高达 250Msps。如需定制配置,请咨询凌力尔特公司。

高信号电平下变频有源混频器专为高线性度、宽动态范围 IF 采样应用而优化。它包括一个用于驱动双平衡混频器的差分 LO 缓冲放大器。RF 和 LO 输入端上的宽带、集成变换器提供单端 50Ω 接口。在内部使 RF 和 LO 输入与 50Ω 相匹配 (从 1.1GHz 至 1.8GHz)。

CLK 输入负责控制转换器操作,并可进行差分驱动或单端驱动。一个任选的时钟占空比稳定器在全速和多种时钟占空比条件下实现了高性能。

产品特点 Features
  • 面向数字预失真 (PDP) 应用的全集成化接收器子系统
  • 具有宽 RF 频率范围的下变频混频器:400MHz 至 3.8GHz
  • 125MHz 宽通带滤波器,<0.5dB 通带纹波
  • 具高达 12 位分辨率、250Msps 采样速率的低功率 ADC
  • -145.5dBm/Hz 输入噪声层,25.8dBm IIP3
  • 1.5W 总功耗
  • 50Ω 单端 RF 和 LO 端口
  • 内部旁路电容,无外部元件
  • ADC 时钟占空比稳定器
  • 11.25mm x 15mm LGA 封装
封装
LTM9003-AA 封装
应用
  • 发送观测路径接收器
  • 数字预失真 (DPD) 接收器
  • 宽带接收器
  • 宽带仪表
典型应用图
LTM9003-AA 典型应用
参数
LTM9003-AA 参数
LTM9003-AA 订购信息和价格参考Package Variations and Pricing
器件型号 封装 引脚 温度 价格 (以 1 ~ 99 片为批量) 价格 (以 1000 片为批量) *
LTM9003CV-AA#PBF LGA 108 C $64.29  $45.00 
LTM9003CV-AB#PBF LGA 108 C $64.29  $45.00 
LTM9003IV-AA#PBF LGA 108 I $77.14  $54.00 
LTM9003IV-AB#PBF LGA 108 I $77.14  $54.00 
LTM9003-AA 演示电路板
器件型号 描述
DC1437B-AA LTM9003-AA demo board, LVDS output, uses DC890 & LVDS_XFMR
DC1642A-AA LTM9003-AA demo board with HSMC connector, LVDS output, uses FT149 to plug into DC890 & LVDS_XFMR
Companion Boards
器件型号 描述
DC890_LVDS_XFMR LVDS Power Transformer, goes with DC890B/ LVDS output demoboards
DC890B High Speed (up to 250Mbps, CMOS/LVDS) USB Data Collection Board
LTM9003-AA 数据手册及相关资料下载
  1. 数据手册(英文) : LTM9003 - 12-Bit Digital Pre-Distortion Receiver Subsystem.PDF
  2. 可靠性数据 : R597 Reliability Data .PDF
  3. 产品选型卡 : Differential Amplifiers/High Speed ADC Drivers .PDF
  4. 产品选型卡 : Digital Predistortion Solutions.PDF
  5. 产品选型卡 : Signal Chain uModule Receivers.PDF
  6. 产品新闻发布 (中文) : 数字预失真 (DPD) 微型模块接收器简化基站设计.PDF
  7. 产品新闻发布 (英文) : Integrated Receiver Simplifies the Analog Side of Digital Predistortion - High Frequency Electronics July 2009.PDF
  8. 软件和仿真: LTC9003 IBIS model.IBS
  9. CAD 符号: LTM9003CV-AA Symbol and Footprint.BXL
  10. CAD 符号: LTM9003IV-AA Symbol and Footprint.BXL