LTM9004-AB 14 位直接转换接收器子系统

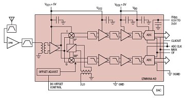
LTM®9004 是一款 14 位直接转换接收器子系统。LTM9004 采用了一种集成系统级封装 (SiP) 技术,这款 µModule® 接收器内置一个双通道高速 14 位 A/D 转换器、低通滤波器、差分增益级和一个正交解调器。如需定制配置,请咨询凌力尔特公司。

LTM9004 非常适合于零 IF 通信应用,其 AC 性能包括 76dB SNR 和 63.5dB 无寄生动态范围 (SFDR)。整个链路进行了 DC 耦合,并可使用 DC 偏移调节。集成化片内宽带变换器在 RF 和 LO 输入端上提供了 50Ω 单端接口。

一个 5V 电源负责为混频器和第一放大器供电以获得最小失真,而一个 3V 电源则可实现低功率 ADC 操作。一个单独的电源允许输出驱动 0.5V 至 3.3V 逻辑器件。一个可任选的多工器使得两个通道能够共用一根数字输出总线。一个任选的时钟占空比稳定器在全速和多种时钟占空比条件下实现了高性能。

产品特点 Features
  • 集成化双通道 14 位、高速 ADC,低通滤波器,差分增益级和 I/Q 解调器
  • 用于每个 ADC 通道的低通滤波器
             1.92MHz (LTM9004-AB)
             4.42MHz (LTM9004-AB)
             9.42MHz (LTM9004-AC)
             20MHz (LTM9004-AD)
  • RF 输入频率范围:0.8GHz 至 2.7GHz
  • 50Ω 单端 RF 和 LO 端口
  • I/Q 增益失配:0.2dB (典型值)
  • I/Q 相位失配:1.5° (典型值)
  • 电压可调解调器 DC 偏移
  • 76dB / 1.92MHz SNR (LTM9004-AB)
  • 63.5dB SFDR (LTM9004-AB)
  • 时钟占空比稳定器
  • 低功耗:1.83W
  • 停机和打盹模式
  • 15mm x 22mm LGA 封装
封装
LTM9004-AB 封装
应用
  • 电信
  • 直接转换接收器
  • 蜂窝基站
典型应用图
LTM9004-AB 典型应用
参数
LTM9004-AB 参数
LTM9004-AB 订购信息和价格参考Package Variations and Pricing
器件型号 封装 引脚 温度 价格 (以 1 ~ 99 片为批量) 价格 (以 1000 片为批量) *
LTM9004CV-AA#PBF LGA 204 C $107.14  $75.00 
LTM9004CV-AB#PBF LGA 204 C $107.14  $75.00 
LTM9004CV-AC#PBF LGA 204 C $107.14  $75.00 
LTM9004CV-AD#PBF LGA 204 C $107.14  $75.00 
LTM9004IV-AA#PBF LGA 204 I $128.57  $90.00 
LTM9004IV-AB#PBF LGA 204 I $128.57  $90.00 
LTM9004IV-AC#PBF LGA 204 I $128.57  $90.00 
LTM9004IV-AD#PBF
LTM9004-AB 演示电路板
器件型号 描述
DC1513B-AB LTM9004-AB demo board, 4.42MHz LPF, 14-bit, 125Msps Direct Conversion Receiver, req DC890
Companion Boards
器件型号 描述
DC890_LVDS_XFMR LVDS Power Transformer, goes with DC890B/ LVDS output demoboards
DC890B High Speed (up to 250Mbps, CMOS/LVDS) USB Data Collection Board
LTM9004-AB 数据手册及相关资料下载
  1. 数据手册(英文) : LTM9004 - 14-Bit Direct Conversion Receiver Subsystem.PDF
  2. 可靠性数据 : R597 Reliability Data .PDF
  3. 产品选型卡 : RF-to-Digital uModule Receivers.PDF
  4. LT Journal : UMTS Base Station Receiver Fits in Half-Inch Square.PDF
  5. 文章 (英文) : UMTS Base Station Receiver Module Occupies One-Half Square Inch .PDF
  6. 文章 (中文) : 基站接收器集成化的进展.PDF
  7. 产品新闻发布 (中文) : RF 至数字微型模块接收器缩减了基站设计的尺寸、成本和面市时间.PDF