LTM9009-14 14 位、80Msps 低功率 8 通道 ADC

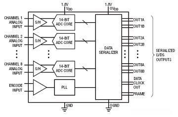
LTM®9011-14 / LTM9010-14 / LTM9009-14 是 8 通道、同步采样 14 位 A/D 转换器,专为对高频、宽动态范围信号进行数字化处理而设计。其 AC 性能包括 73.1dB SNR 和 88dB 无寄生动态范围 (SFDR)。每个通道的低功耗减少了高通道数应用中的热量。集成型旁路电容和直通式引出脚配置降低了总体板极空间要求。

DC 规格包括整个温度范围内的 ±1LSB INL (典型值)、±0.3LSB DNL (典型值) 和无漏失码。转换噪声很低,仅为 1.2LSBRMS。

数字输出为串行 LVDS,旨在最大限度地减少数据线的数目。每个通道一次输出两个位 (“双线道” 模式)。在较低采样速率条件下提供了每个通道一次输出一个位的选项 (“单线道” 模式)。

可以利用一个正弦波、PECL、LVDS、TTL 或 CMOS 输入对 ENC+ 和 ENC- 输入进行差分或单端驱动。一个内部时钟占空比稳定器在全速和多种时钟占空比条件下实现了高性能。

产品特点 Features
  • 8 通道同步采样 ADC
  • 73.1dB SNR
  • 88dB SFDR
  • 低功率:140mW / 113mW / 94mW (每通道)
  • 单 1.8V 电源
  • 串行 LVDS 输出:每通道 1 位或 2 位
  • 可选的输入范围:1VP-P 至 2VP-P
  • 800MHz 满功率带宽采样及保持 (S/H)
  • 停机和打盹模式
  • 用于配置的串行 SPI 端口
  • 内部旁路电容,无外部组件
  • 140 引脚 (11.25mm x 9mm) BGA 封装
封装
LTM9009-14 封装
应用
  • 通信
  • 蜂窝基站
  • 软件定义无线电
  • 便携式医学成像
  • 多通道数据采集
  • 非破坏性测试
典型应用图
LTM9009-14 典型应用
参数
LTM9009-14 参数
LTM9009-14 订购信息和价格参考Package Variations and Pricing
器件型号 封装 引脚 温度 价格 (以 1 ~ 99 片为批量) 价格 (以 1000 片为批量) *
LTM9009CY-14#PBF BGA 140 C $51.43  $36.00 
LTM9009IY-14#PBF BGA 140 I $56.57  $39.60 
LTM9009-14 数据手册及相关资料下载
  1. 数据手册(英文) : LTM9011-14/ LTM9010-14/LTM9009-14 - 14-Bit, 125Msps/105Msps/ 80Msps Low Power Octal ADCs.PDF
  2. 数据手册(中文) : LTM9011-14/LTM9010-14/LTM9009-14 - 14 位、125Msps/105Msps/80Msps 低功率 8 通道 ADC.PDF
  3. 可靠性数据 : R597 Reliability Data .PDF
  4. 产品选型卡 : 14-/12-Bit Quad & Dual, Serial LVDS ADCs .PDF
  5. 软件和仿真: LTM9011 IBIS Model.IBS