LTM®9011-14 / LTM9010-14 / LTM9009-14 是 8 通道、同步采样 14 位 A/D 转换器,专为对高频、宽动态范围信号进行数字化处理而设计。其 AC 性能包括 73.1dB SNR 和 88dB 无寄生动态范围 (SFDR)。每个通道的低功耗减少了高通道数应用中的热量。集成型旁路电容和直通式引出脚配置降低了总体板极空间要求。
DC 规格包括整个温度范围内的 ±1LSB INL (典型值)、±0.3LSB DNL (典型值) 和无漏失码。转换噪声很低,仅为 1.2LSBRMS。
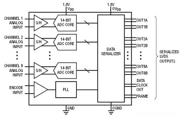
数字输出为串行 LVDS,旨在最大限度地减少数据线的数目。每个通道一次输出两个位 (“双线道” 模式)。在较低采样速率条件下提供了每个通道一次输出一个位的选项 (“单线道” 模式)。
可以利用一个正弦波、PECL、LVDS、TTL 或 CMOS 输入对 ENC+ 和 ENC- 输入进行差分或单端驱动。一个内部时钟占空比稳定器在全速和多种时钟占空比条件下实现了高性能。
产品特点 Features
封装
| 应用
典型应用图
参数 |
|---|
| 器件型号 | 封装 | 引脚 | 温度 | 价格 (以 1 ~ 99 片为批量) | 价格 (以 1000 片为批量) * |
| LTM9010CY-14#PBF | BGA | 140 | C | $51.43 | $36.00 |
| LTM9010IY-14#PBF | BGA | 140 | I | $56.57 | $39.60 |