RH1016M 超快精准 10ns 比较器

RH1016 是一款 UltraFastTM 10ns 比较器,可直接连接至 TTL/CMOS 逻辑电路,并采用 ±5V 或单 5V 电源。严格的偏移电压规格和高增益使得 RH1016 能够在精准应用中使用。匹配的互补输出进一步拓展了该比较器的通用性。

一个独特的输出级在正负两个方向上均提供了有源驱动,旨在使 TTL/CMOS 逻辑电路或无源负载获得最大速度,而并未出现传统输出级中常见的大电流尖峰。这允许 RH1016 在输出处于有源区时保持稳定,因而极大地减轻了输入信号缓慢移动或处于低电平时的输出“脉冲干扰”问题。

RH1016 具有一个 LATCH 引脚,当保持高电平时,该引脚将在输出上保留输入数据。静态负电源电流仅为 3mA。这使得能够利用一个简单的阻性分压器从几乎任何电源电压来驱动负电源引脚。器件性能不会受到负电源电压变化的影响。

晶圆批次采用凌力尔特公司的 Class S 流程至良率电路进行处理,可在严格的军事应用中使用。

产品特点 Features
  • 正电源电压 (注 5) …… 7V
  • 负电源电压 …… -7V
  • 差分输入电压 (注 7) …… ±5V
  • +IN、-IN 和 LATCH ENABLE 电流 (注 7) …… ±10mA
  • 输出电流 (连续) (注 7) …… ±20mA
  • 工作温度范围 …… -55℃ 至 125℃
  • 贮存温度范围 …… -65℃ 至 150℃
  • 引脚温度 (焊接时间 10 秒) …… 300℃
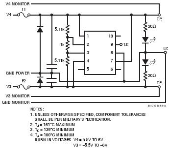
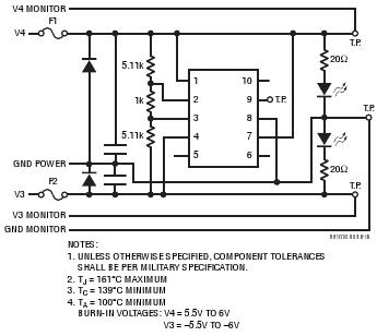
典型应用图
RH1016M 典型应用
参数
RH1016M 参数
RH1016M 数据手册及相关资料下载
  1. 数据手册 (英文) : RH1016 - DICE SPECIFICATION.PDF
  2. 可靠性数据 : R031 Reliability Data .PDF