RH27C 精准运算放大器
RH27C 把非常低噪声与卓越精度和高速规格组合在一起。由于具有 2.7Hz 的低 1/f噪声转角频率,以及 3.5nV√Hz 10Hz 噪声和低失调电压,因而使得 RH27C 成为低频军事仪表应用的一种绝佳选择。晶圆批次采用凌力尔特公司内部 Class S 流程至良率电路进行处理,可在严格的军事应用中使用。
如需了解完整的电气规格和性能曲线,请见 OP-27/OP-37 数据表
产品特点 Features
- 电源电压 …… ±22V
- 内部功耗 …… 500mW
- 输入电压 …… 等于电源电压
- 输出短路持续时间 …… 未限制
- 差分输入电流 (注 8) …… ±25mA
- 工作温度范围 …… -55℃ 至 125℃
- 结温范围 …… -55℃ 至 150℃
- 贮存温度范围 …… -65℃ 至 150℃
- 引脚温度 (焊接时间 10 秒) …… 300℃
|
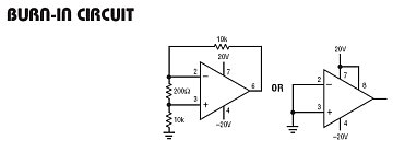
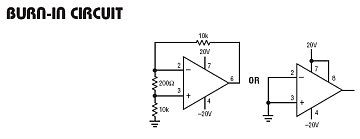
典型应用图
参数
 |
RH27C 数据手册及相关资料下载
- 数据手册 (英文) : RH27C - Precision Operational Amplifier.PDF
- 可靠性数据 : R007 Reliability Data .PDF