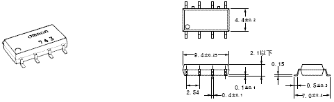
高度仅为2.1mm的薄小平型小外形封装的8脚MOS FET继电器

接点结构 |
端子种类 |
负载电压 |
型号 |
2a |
表面安装端子 |
AC200V峰值 |
G3VM-202J1 |
G3VM-202J1(TR) |
*负载电压(最大):表示峰值AC、DC
| 项目 | 符号 | 额定 | 单位 | 条件 | |
输入侧 |
LED正向电流 | IF | 50 | mA | |
| 反复峰值LED 正向电流 | IFP | 1 | A | 100µs脉冲、100pps | |
| 直流正向电流降低比率 | △IF/℃ | -0.5 | mA/℃ | Ta 25℃ | |
| LED反向电流 | VR | 5 | V | ||
| 粘合部位温度 | TJ | 125 | ℃ | ||
输出侧 |
输出耐压 | VOFF | 200 | V | |
| 连续负载电流 | IO | 200 | mA | ||
| 导通电流降低比率 | △ION/℃ | -2.0 | mA/℃ | Ta 25℃ | |
输入输出间耐压(注1) |
VI-O | 1500 | Vrms | AC持续1分钟 | |
使用环境温度 |
Ta | -40~+85 | ℃ | 不结冰、凝露 | |
贮藏温度 |
Tstg | -55~+100 | ℃ | 不结冰、凝露 | |
焊接温度条件 |
— | 260 | ℃ | 10s | |
(注1):测量输入输出间的耐压时,分别对LED针脚、受光侧针脚统一地施加电压。
项目 |
符号 | 最小 | 标准 | 最大 | 单位 | 条件 | |
输入侧 |
LED 正向电压 | VF | 1.0 | 1.15 | 1.3 | V | IF=10mA |
| 反向电流 | IR | — | — | 10 | µA | VR=5V | |
| 端子间电容 | CT | — | 30 | — | pF | V=0、f=1MHz | |
| 触发LED正向电流 | IFT | — | 1 | 3 | mA | IO=200mA | |
输出侧 |
最大输出导通电阻 | RON | — | 5 | 8 | Ω | IF=5mA、IO=200mA |
| 开路时漏电流 | ILEAK | — | — | 1.0 | µA | VOFF=200V | |
输入输出间电容 |
CI-O | — | 0.8 | — | pF | f=1MHz、VS=0V | |
输入输出间电容绝缘电阻 |
RI-O | 1000 | — | — | MΩ | VI-O=500VDC、ROH<=60% | |
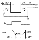
动作时间 |
tON | — | 0.6 | 1.5 | ms | IF=5mA、RL=200Ω、VDD=20V(注2) | |
回复时间 |
tOFF | — | 0.1 | 1 | ms | ||
注2:IF=5mA、RL=200Ω、VDD=20V 表示动作时间和复位时间

为了保证继电器的正确动作和复位,请在以下条件下使用。
| 项目 | 符号 | 最小 | 标准 | 最大 | 单位 |
| 输出耐压 | VDD | — | 150 | 200 | V |
| 动作LED正向电流 | IF | 5 | 7.5 | 25 | mA |
| 连续负载电流 | Io | — | - | 130 | mA |
| 动作温度 | Ta | -20 | - | 65 | ℃ |

