M40SZ100W ZEROPOWER Supervisor

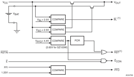
The M40SZ100Y/W NVRAM Controller is a self-contained device which converts a standard low-power SRAM into a non-volatile memory. A precision voltage reference and comparator monitors the VCC input for an out-of-tolerance condition.

When an invalid VCCcondition occurs, the conditioned chip enable output (ECON) is forced inactive to write protect the stored data in the SRAM. During a power failure, the SRAM is switched from the VCC pin to the lithium cell within the SNAPHAT (or external battery for the 16-lead SOIC) to provide the energy required for data retention. On a subsequent power-up, the SRAM remains write protected until a valid power condition returns.

The 28-pin, 330 mil SOIC provides sockets with gold plated contacts for direct connection to a separate SNAPHAT®housing containing the battery. The SNAPHAT housing has gold plated pins which mate with the sockets, ensuring reliable connection. The housing is keyed to prevent improper insertion. This unique design allows the SNAPHAT battery package to be mounted on top of the SOIC package after the completion of the surface mount process which greatly reduces the board manufacturing process complexity of either directly soldering or inserting a battery into a soldered holder. Providing non-volatility becomes a “SNAP.” This feature is also available in the “topless” 16-pin SOIC package (MQ).

Insertion of the SNAPHAT housing after reflow prevents potential battery damage due to the high temperatures required for device surface-mounting. The SNAPHAT housing is also keyed to prevent reverse insertion.

The 28-pin SOIC and battery packages are shipped separately in plastic anti-static tubes or in tape & reel form. For the 28-lead SOIC, the battery/crystal package (e.g., SNAPHAT) part number is “M4ZXX-BR00SH” (see Table 13 on page 23).

技术特性
  • Convert low power SRAMs into NVRAMs
  • 5V or 3V operating voltage
  • Precision power monitoring and power switching circuitry
  • Automatic write-protection when VCCis out-of-tolerance
  • Choice of supply voltages and power-fail deselect voltages:
    • M40SZ100Y: VCC= 4.5 to 5.5V; 4.20V ≤ VPFD≤ 4.50
    • M40SZ100W: VCC= 2.7 to 3.6V; 2.55V ≤ VPFD≤ 2.70 V
  • Reset output (RST) for power on reset
  • 1.25V reference (for PFI/PFO)
  • Less than 10ns chip enable access propagation delay (at 5V)
  • Optional packaging includes a 28-lead SOIC and SNAPHAT® top (to be ordered separately)
  • 28-lead SOIC package provides direct connection for a SNAPHAT top which contains the battery
  • Battery low pin (BL)
  • RoHS compliant
    • Lead-free second level interconnect
功能框图
M40SZ100W 订购信息
订购型号 产品状态 美金价格 数量 封装 包装形式 温度范围 材料声明
M40SZ100WMQ6F Active   1000 SO-16 Tape And Reel   M40SZ100WMQ6F
DATASHEET
描述 版本 大小
M40SZ100W : 5 V or 3 V NVRAM supervisor for LPSRAM 3 437KB
APPLICATION NOTES
描述 版本 大小
AN1000: Reduced footprint ZEROPOWER® and TIMEKEEPER® supervisor surface-mount solution 2 63KB
AN1012: Predicting the battery life and data retention period of NVRAMs and serial RTCs 4 440KB
AN1336: Power-fail comparator for NVRAM supervisory devices 1 59KB
AN1957: Microprocessor supervisor functions 1 247KB
IBIS MODELS
描述 版本 大小
Ibis model 2.1 10KB
Ibis model 2.1 10KB