M41ST87W Serial real-time clock (RTC) supervisor
The M41ST87Y/W secure serial RTC and NVRAM supervisor is a low power 1280-bit, static CMOS SRAM organized as 160 bytes by 8 bits. A built-in 32.768 kHz oscillator (internal crystal-controlled) and 8 bytes of the SRAM are used for the clock/calendar function and are configured in binary coded decimal (BCD) format.
An additional 11 bytes of RAM provide calibration, status/control of alarm, watchdog, tamper, and square wave functions. 8 bytes of ROM and finally 128 bytes of user RAM are also provided. Addresses and data are transferred serially via a two line, bidirectional I²C interface. The built-in address register is incremented automatically after each WRITE or READ data byte. The M41ST87Y/W has a built-in power sense circuit which detects power failures and automatically switches to the battery supply when a power failure occurs. The energy needed to sustain the SRAM and clock operations can be supplied by a small lithium button-cell supply when a power failure occurs.
Functions available to the user include a non-volatile, time-of-day clock/calendar, alarm interrupts, tamper detection, watchdog timer, and programmable square wave output. Other features include a power-on reset as well as two additional debounced inputs (RSTIN1and RSTIN2) which can also generate an output reset (RST). The eight clock address locations contain the century, year, month, date, day, hour, minute, second and tenths/hundredths of a second in 24-hour BCD format. Corrections for 28, 29 (leap year), 30 and 31 day months are made automatically.
技术特性
- 5.0, 3.3, or 3.0 V operation
- 400 kHz I²C bus
- NVRAM supervisor to non-volatize external LPSRAM
- 2.5 to 5.5 V oscillator operating voltage
- Automatic switchover and deselect circuitry
- Choice of power-fail deselect voltages
- M41ST87Y:(not recommended for new design, contact ST sales office for availability)THS = 1: VPFD≈ 4.63 V; VCC= 4.75 to 5.5 VTHS = 0: VPFD≈ 4.37 V; VCC= 4.5 to 5.5 V
- M41ST87W:THS = 1: VPFD≈ 2.9 V; VCC= 3.0 to 3.6 VTHS = 0: VPFD≈ 2.63 V; VCC= 2.7 to 3.6 V
- Two independent power-fail comparators (1.25 V reference)
- Counters for tenths/hundredths of seconds, seconds, minutes, hours, day, date, month, year, and century
- 128 bytes of clearable, general purpose NVRAM
- Programmable alarm and interrupt function (valid even during battery backup mode)
- Programmable watchdog timer
- Unique electronic serial number (8-byte)
- 32 kHz frequency output available upon power-on
- Microprocessor power-on reset output
- Battery low flag
- Ultra-low battery supply current of 500 nA (typ)
- Security features
- Tamper indication circuits with timestamp and RAM clear
- LPSRAM clear function (TPCLR)
- Packaging includes a 28-lead, embedded crystal SOIC and a 20-lead SSOP
- Oscillator stop detection
|
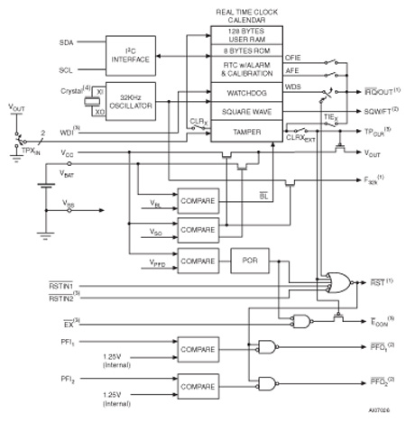
功能框图
 |
M41ST87W 订购信息
| 订购型号 |
产品状态 |
美金价格 |
数量 |
封装 |
包装形式 |
温度范围 |
材料声明 |
| M41ST87WSS6F |
Active |
|
|
SSOP 20 7.2x5.3 |
Tape And Reel |
-40 °C-85°C |
M41ST87WSS6F |
| M41ST87WMX6TR |
Active |
|
|
SO-28 |
Tape And Reel |
-40 °C-85°C |
M41ST87WMX6TR |
DATASHEET
| 描述 |
版本 |
大小 |
| M41ST87W : DS3301: 5.0 V and 3.3/3.0 V secure serial RTC and NVRAM supervisor with tamper detection and 128 bytes of clearable NVRAM |
10 |
782KB |
APPLICATION NOTES
| 描述 |
版本 |
大小 |
| AN1012: Predicting the battery life and data retention period of NVRAMs and serial RTCs |
4 |
440KB |
| AN1336: Power-fail comparator for NVRAM supervisory devices |
1 |
59KB |
| AN1572: Power-down time-stamp function in serial real-time clocks (RTCs) |
2 |
172KB |
| AN1216: Implementing a periodic alarm with TIMEKEEPER® |
1 |
55KB |
| AN934: How to use the digital calibration feature in TIMEKEEPER® and serial real-time clock (RTC) products |
4 |
124KB |
| AN1879: How to use M41ST87 tamper detect and RAM clear |
4 |
71KB |
| AN1011: Battery technology used in NVRAM and real-time clock (RTC) products from ST |
4 |
249KB |
| AN3060: Applications guide for serial real-time clocks |
1 |
355KB |
USER MANUALS
| 描述 |
版本 |
大小 |
| UM0276 : STFPC311 LED evaluation board hardware description and user manual |
2 |
503KB |