M41T83 Serial SPI bus real-time clock (RTC) with battery switchover
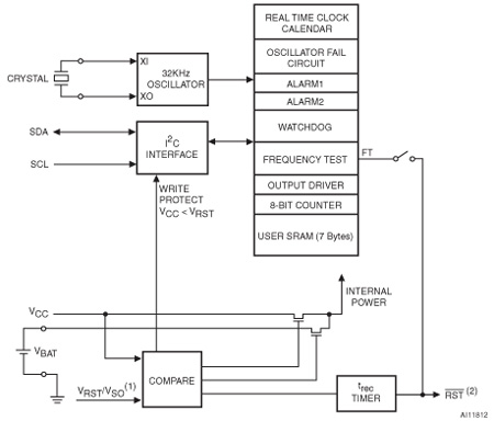
The M41T8x are low power serial I²C real-time clocks with a built-in 32.768 kHz oscillator (external crystal-controlled for the QFN16 and SO8 packages, embedded crystal for the SOX18 package). Eight bytes of the register map are used for the clock/calendar function and are configured in binary coded decimal (BCD) format. An additional 17 bytes of the register map provide status/control of the two alarms, watchdog, 8-bit counter, and square wave functions. An additional seven bytes are made available as user SRAM.
Addresses and data are transferred serially via a two-line, bidirectional I²C interface. The built-in address register is incremented automatically after each WRITE or READ data byte. The M41T8x has a built-in power sense circuit which detects power failures and automatically switches to the battery supply when a power failure occurs. The energy needed to sustain the clock operations can be supplied by a small lithium button battery when a power failure occurs.
Functions available to the user include a non-volatile, time-of-day clock/calendar, two alarm interrupts, watchdog timer, programmable 8-bit counter, and square wave outputs. The eight clock address locations contain the century, year, month, date, day, hour, minute, second, and tenths/hundredths of a second in 24-hour BCD format. Corrections for 28, 29 (leap year), 30, and 31 day months are made automatically. The M41T83 is supplied in either a QFN16 or an SOX18, 300 mil SOIC which includes an embedded 32 KHz crystal. The SOX18 package requires only a user-supplied battery to provide non-volatile operation. The M41T82 is available only in an SO8 package.
技术特性
- Ultra-low battery supply current of 365 nA
- Factory calibrated accuracy ±5 ppm guaranteed after 2 reflows (SOX18)
- Much better accuracies achievable using built-in programmable analog and digital calibration circuits
- 2.0 V to 5.5 V clock operating voltage
- Counters for tenths/hundredths of seconds, seconds, minutes, hours, day, date, month, year, and century
- Automatic switchover and reset output circuitry (fixed reference)
- VCC= 2.38 V to 5.50 V (2.25 V ≤ VRST≤ 2.38 V)
- Serial interface supports I²C bus (400 kHz protocol)
- Programmable alarm with interrupt function (valid even during battery backup mode)
- Optional 2ndprogrammable alarm available
- Square wave output defaults to 32 KHz on power-up (M41T83 only)
- RESET (RST) output
- Watchdog timer
- Programmable 8-bit counter/timer
- 7 bytes of battery-backed user SRAM
- Battery low flag
- Low operating current of 80 μA
- Oscillator stop detection
- Battery or SuperCap™ backup
- Operating temperature of –40 °C to 85 °C
- Package options include:
- an 18-lead embedded crystal SOIC (M41T83), or
- RoHS compliance: lead-free components are compliant with the RoHS directive
|
功能框图
 |
M41T83 订购信息
| 订购型号 |
产品状态 |
美金价格 |
数量 |
封装 |
包装形式 |
温度范围 |
材料声明 |
| M41T83ZQA6F |
Active |
|
|
VFQFPN 16 4x4x1.0 |
Tape And Reel |
-40 °C-85°C |
M41T83ZMY6F |
| M41T83SQA6F |
Active |
|
|
VFQFPN 16 4x4x1.0 |
Tape And Reel |
-40 °C-85°C |
M41T83ZQA6F |
| M41T83SMY6F |
Active |
|
|
SO-18 |
Tape And Reel |
-40 °C-85°C |
M41T83SQA6F |
| M41T83RMY6F |
Active |
|
|
SO-18 |
Tape And Reel |
-40 °C-85°C |
M41T83RMY6F |
| M41T83ZMY6F |
Active |
|
|
SO-18 |
Tape And Reel |
-40 °C-85°C |
M41T83RQA6F |
| M41T83RQA6F |
Active |
|
|
VFQFPN 16 4x4x1.0 |
Tape And Reel |
-40 °C-85°C |
M41T83SMY6F |
DATASHEET
| 描述 |
版本 |
大小 |
| M41T83 : DS4858: Serial I²C bus real-time clock with battery switchover |
13 |
996KB |
APPLICATION NOTES
| 描述 |
版本 |
大小 |
| AN922: Using a Super Cap to back up the M41T56, M41T00, M41T11, M41T81, M41T83, and M41ST84W (16-pin) |
2 |
85KB |
| AN1012: Predicting the battery life and data retention period of NVRAMs and serial RTCs |
4 |
440KB |
| AN1572: Power-down time-stamp function in serial real-time clocks (RTCs) |
2 |
172KB |
| AN1216: Implementing a periodic alarm with TIMEKEEPER® |
1 |
55KB |
| AN934: How to use the digital calibration feature in TIMEKEEPER® and serial real-time clock (RTC) products |
4 |
124KB |
| AN1011: Battery technology used in NVRAM and real-time clock (RTC) products from ST |
4 |
249KB |
| AN3060: Applications guide for serial real-time clocks |
1 |
355KB |
USER MANUALS
| 描述 |
版本 |
大小 |
| UM0963 : STEVAL-IFS012V1 demonstration board based on multiple temperature sensors and RTCs |
1 |
2214KB |
IBIS MODELS
| 描述 |
版本 |
大小 |
| M41T83 :Ibis model |
2.0 |
23KB |