M41T94 Serial real-time clock (RTC)
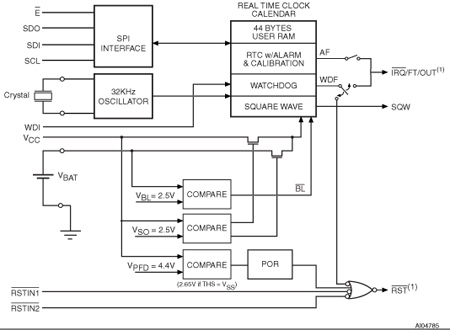
The M41T94 is a serial real-time clock with 44 bytes of NVRAM and a RESET output. A built-in 32,768Hz oscillator (external crystal controlled) and 8 bytes of the SRAM (see Table 4 on page 19) are used for the clock/calendar function and are configured in binary coded decimal (BCD) format.
An additional 12 bytes of RAM provide status/control of Alarm, Watchdog and Square Wave functions. Addresses and data are transferred serially via a serial SPI interface. The built-in address register is incremented automatically after each WRITE or READ data byte. The M41T94 has a built-in power sense circuit which detects power failures and automatically switches to the battery supply when a power failure occurs. The energy needed to sustain the SRAM and clock operations can be supplied by a small lithium button-cell supply when a power failure occurs. Functions available to the user include a non-volatile, time-of-day clock/calendar, Alarm interrupts, Watchdog timer and programmable Square Wave output. Other features include a Power-On reset as well as two additional debounced inputs ( RSTIN1 and RSTIN2 ) which can also generate an output reset ( RST ). The eight clock address locations contain the century, year, month, date, day, hour, minute, second and tenths/hundredths of a second in 24 hour BCD format. Corrections for 28, 29 (leap year - valid until year 2100), 30 and 31 day months are made automatically. The ninth clock address location controls user access to the clock information and also stores the clock software calibration setting.
The M41T94 is supplied in either a 16-lead plastic SOIC (requiring user supplied crystal and battery) or a 28-lead SOIC SNAPHAT® package (which integrates both crystal and battery in a single SNAPHAT top). The 28-pin, 330mil SOIC provides sockets with gold plated contacts at both ends for direct connection to a separate SNAPHAT housing containing the battery and crystal. The unique design allows the SNAPHAT battery/crystal package to be mounted on top of the SOIC package after the completion of the surface mount process.
Insertion of the SNAPHAT housing after reflow prevents potential battery and crystal damage due to the high temperatures required for device surface-mounting. The SNAPHAT housing is also keyed to prevent reverse insertion.
The SOIC and battery/crystal packages are shipped separately in plastic anti-static tubes or in Tape & Reel form. For the 28-lead SOIC, the battery/crystal package (e.g., SNAPHAT) part number is “M4TXX-BR12SH” (see Table 21 on page 38).
技术特性
- Counters for tenths/hundredths of seconds, seconds, minutes, hours, day, date, month, year, and century
- 32KHz crystal oscillator integrating load capacitance (12.5pF) providing exceptional oscillator stability and high crystal series resistance operation
- Serial peripheral interface (2MHz SPI)
- Ultra-low battery supply current of 500nA (max)
- 2.7 to 5.5V operating voltage
- 2.5 to 5.5V oscillator operating voltage
- Battery low flag
- Automatic switchover and deselect circuitry
- 44 bytes of general purpose RAM
- Programmable alarm and interrupt function (valid even during battery back-up mode)
- Accurate programmable watchdog timer (from 62.5ms to 128s)
- Microprocessor power-on reset
- Choice of power-fail deselect voltages (VCC= 2.7 to 5.5V):
- THS = VSS; 2.55V ≤ VPFD≤ 2.70V
- THS = VCC; 4.20V ≤ VPFD≤ 4.50V
- Packaging includes a 28-lead SOIC and SNAPHAT® TOP (to be ordered separately) or 16-lead SOIC
- 28-lead SOIC package provides direct connection for a SNAPHAT TOP which contains the battery and crystal
- RoHS compliant
- Lead-free second level interconnect
|
功能框图
 |
M41T94 订购信息
| 订购型号 |
产品状态 |
美金价格 |
数量 |
封装 |
包装形式 |
温度范围 |
材料声明 |
| M41T94MQ6F |
Active |
|
|
SO-16 |
Tape And Reel |
-40 °C-85°C |
M41T94DT |
| M41T94MH6F |
Active |
|
|
SO-28 |
Tape And Reel |
-40 °C-85°C |
M41T94N |
DATASHEET
| 描述 |
版本 |
大小 |
| M41T94 : DS2166: Serial real-time clock with 44 bytes NVRAM and reset |
6 |
344KB |
APPLICATION NOTES
| 描述 |
版本 |
大小 |
| AN922: Using a Super Cap to back up the M41T56, M41T00, M41T11, M41T81, M41T94, and M41ST84W (16-pin) |
2 |
85KB |
| AN1012: Predicting the battery life and data retention period of NVRAMs and serial RTCs |
4 |
440KB |
| AN1572: Power-down time-stamp function in serial real-time clocks (RTCs) |
2 |
172KB |
| AN1216: Implementing a periodic alarm with TIMEKEEPER® |
1 |
55KB |
| AN934: How to use the digital calibration feature in TIMEKEEPER® and serial real-time clock (RTC) products |
4 |
124KB |
| AN1011: Battery technology used in NVRAM and real-time clock (RTC) products from ST |
4 |
249KB |
| AN3060: Applications guide for serial real-time clocks |
1 |
355KB |
USER MANUALS
| 描述 |
版本 |
大小 |
| UM0402 : Single-phase multi tariff energy meter |
1 |
588KB |
IBIS MODELS
| 描述 |
版本 |
大小 |
| M41T94 :Ibis model |
2.0 |
23KB |