ST7538Q B-FSK - Power Line Transceiver
The ST7538Q is a Half Duplex synchronous/asynchronous FSK Modem designed for power line communication network applications. It operates from a single supply voltage and integrates a line driver and two linear regulators for 5V and 3.3V. The device operation is controlled by means of an internal register, programmable through the synchronous serial interface. Additional functions as watchdog, clock output, output voltage and current control, preamble detection, time-out, band in use are included. Realized in Multipower BCD5 technology that allows to integrate DMOS, Bipolar and CMOS structures in the same chip.
技术特性
- Half duplex frequency shift keying (FSK) transceiver
- Integrated power line driver with programmable voltage and current control
- Programmable interface:
- Single supply voltage (from 7.5 up to 12.5V)
- Very low power consumption (Iq = 5mA)
- Integrated 5V voltage regulator (up to 50mA) with short circuit protection
- Integrated 3.3V voltage regulator (up to 50mA) with short circuit protection
- 3.3V or 5V digital supply
- 8 programmable transmission frequencies
- Programmable baud rate up to 4800BPS
- Receiving sensitivity up to 250µVrms
- Suitable to application in accordance with EN 50065 CENELEC specifications
- Carrier or preamble detection
- Band in use detection
- Programmable 24 or 48 bit register with security checksum
- Mains zero crossing detection and synchronization
- Watchdog timer
- Output voltage freeze
- 8 or 16 bit header recognition
- UART/SPI host interface
- ST7537 compatible
|
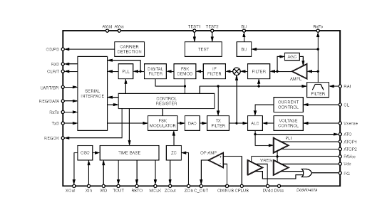
功能框图
 |
ST7538Q 订购信息
| 订购型号 |
产品状态 |
美金价格 |
数量 |
封装 |
包装形式 |
温度范围 |
材料声明 |
| ST7538Q |
Active |
|
|
TQFP 44 10x10x1.4 |
Tray |
|
ST7538Q |
| ST7538QTR |
Active |
|
|
TQFP 44 10x10x1.4 |
Tape And Reel |
|
ST7538QTR |
DATASHEET
| 描述 |
版本 |
大小 |
| ST7538Q : High performance CSS transceiver enabling location awareness |
1 |
4367KB |
APPLICATION NOTES
| 描述 |
版本 |
大小 |
| AN2744: ST7538Q power line FSK transceiver dual channel reference design for AMR |
1 |
2388KB |
| AN1714: ST7538Q FSK powerline transceiver demonstration kit description |
4 |
1188KB |