ST7570 S-FSK Power Line Networking System On Chip
The ST7570 is a powerful power line networking system-on-chip. It combines a high-performance PHY processor core and a protocol controller core with a fully integrated analog front end (AFE) and line driver. The ST7570 features allow the most cost-effective, single-chip power line communication solution based on IEC61334-5-1 S-FSK standard.
技术特性
- Fully integrated narrow-band power line networking system-on-chip
- High performing PHY processor with embedded turn-key firmware for spread frequency shift keying (S-FSK) modulation:
- Programmable bit rate up to 2.4 Kbps (@ 50 Hz)
- 1 Hz step programmable carriers up to 148.5 kHz
- Signal to noise ratio estimation
- Received signal strength indication
- Protocol engine embedding:
- IEC61334-5-1 PHY and MAC layers
- On chip peripherals:
- Host controller UART interface
- Fully integrated analog front end:
- PGA with automatic gain control for high receiving sensitivity
- High linearity modulated signal generation
- Fully integrated single-ended power amplifier for line driving
- Up to 1 A rms, 14 V p-p output
- Configurable Active filtering topology
- Embedded temperature sensor
- 8 to 18 V power amplifier supply
- 3.3 V or 5 V digital I/O supply
- Integrated 5 V and 1.8 V linear regulators for AFE and digital core supply
- Mains zero crossing synchronization
- Suitable for EN50065 and FCC part 15 compliant applications
- VFQFPN48 package with exposed pad
- -40 °C to +85 °C temperature range
|
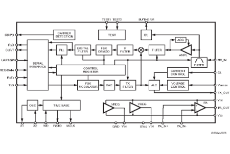
功能框图
 |
ST7570 订购信息
| 订购型号 |
产品状态 |
美金价格 |
数量 |
封装 |
包装形式 |
温度范围 |
材料声明 |
| ST7570 |
Active |
|
|
VFQFPN 48 7x7x1.0 |
Tray |
|
ST7570 |
| ST7570TR |
Active |
|
|
VFQFPN 48 7x7x1.0 |
Tape And Reel |
|
ST7570TR |
DATASHEET
| 描述 |
版本 |
大小 |
| ST7570 : DS6837: S-FSK power line networking system-on-chip |
1 |
618KB |
APPLICATION NOTES
| 描述 |
版本 |
大小 |
| AN3213: ST7570 S-FSK power line networking system-on-chip design guide for AMR |
1 |
2155KB |
USER MANUALS
| 描述 |
版本 |
大小 |
| UM0934: ST7570 S-FSK power line networking System-on-Chip |
2 |
1596KB |
| UM1038: Hardware interconnection of the STM32™, SPEAr™3xx, and ST75xx |
1 |
797KB |
| UM1008: Demonstration kit for the ST7570 power line modem with graphical user interface |
2 |
2527KB |
| UM1070: C Library for ST7570/80 and STM32™ |
1 |
1239KB |
PRODUCT PRESENTATIONS
| 描述 |
版本 |
大小 |
| ST7570 : ST products and solutions for solar energy |
1.0.0 |
2136KB |
| ST7570 : Smart street lighting solutions |
1.0.0 |
1597KB |
FLYERS