STOTG04ES USB-OTG Full-speed Transceiver with usb UART and Audio Operating Modes
The STOTG04ES is a USB On-The-Go full-speed transceiver. It provides complete physical layer solution for any USB-OTG device. It contains VBUS charge pump and comparators, ID line detector and interrupt generator, and the USB differential driver and receivers. The STOTG04 transceiver is suitable for mobile and battery powered devices because of its low power consumption and power down operating mode.
The transceiver is capable of operation in several different modes. It can operate in basic USB-OTG mode, as an UART transceiver or in audio mode. Behavior of the transceiver is fully configurable through the two-wire I²C serial bus. The transceiver supports session request protocol and host negotiation protocol
技术特性
- Meets the requirements of the universal serial bus specification revision 2.0 And the on-the-go supplement to the USB 2.0 specification
- Analog car kit-compatible
- Three operating modes: USB, UART and audio
- Configurable using I²C serial interface
- Capable of 12Mbit/s full-speed and 1.5Mbit/s low-speed modes of operation
- Standard digital interface compliant with the OTG transceiver specification
- Supports the session request protocol (SRP) and host negotiation protocol (HNP)
- 35mA Typical VBUS Charge pump output current for 3.3V supply voltage
- Ability to control external charge pump for higher VBUS currents
- Integrated pull-up/-down resistors
- ±6kV ESD protection on all USB pins (contact discharge)
- +1.6V to +3.6V Digital power supply and +2.7V to +5.5V analog supply voltage range
- Power-down mode with very low power consumption for battery powered devices
- Ideal for system ASICs with built-in USB OTG dual role core
- Available In QFN-24
- –40°C to +85°C operating temperature range
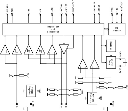
Circuit Diagram
STOTG04ES 订购信息
| 订购型号 |
产品状态 |
美金价格 |
数量 |
封装 |
包装形式 |
温度范围 |
材料声明 |
| STOTG04ESQTR |
Active |
2.16 |
1000 |
VFQFPN 24 4x4x1.0 |
Tape And Reel |
-40 °C-85 °C |
STOTG04ESQTR |
DATASHEET
| 下载 |
描述 |
版本 |
大小 |
| STOTG04ES |
DS4586: USB-OTG full-speed transceiver |
3 |
420KB |