STR710FZ2 ARM7TDMI™ 16/32-BIT MCU WITH FLASH, USB, CAN, 5 TIMERS, ADC, 10 COMMUNICATIONS INTERFACES
The STEVAL-IPC001V1 is an integrated system to allow designers to evaluate a complete and ready-to-use cash register application. It is intended for the low to medium-end POS/cash register market and consists of a hardware board, firmware and PC GUI (graphical user interface).
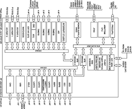
At the core of the board, the STR710FZ2 microcontroller controls all tasks of the system.
The STR710FZ2 gives the board a wide scope of communication capabilities, incorporating four UARTs, one 10T-LAN, one PS/2 interface and various IC and SPI connectors. The firmware is a modular suite which simultaneously implements a typical cash register application and provides a suitable library to develop an optimized and customized final application.
The PC GUI is a user-friendly PC application to manage both goods information and board parameters through a dedicated protocol
技术特性
- 4-Mbyte Flash, 32-Mbyte NAND and 1-Mbyte SRAM on board
- Two smartcard readers
- STM1404 secure chip, FIPS 140-2 compliant
- Ethernet 10Base-T, 3 UARTs, 1 RS-485, 1 PS/ 2, 1 USB full speed, 4 x I²C, 1 x SPI, 2 LCDs
- Expandable connector for upgrading to a 64- Mbyte Flash or 64-Mbyte SRAM
- Firmware available
- Cash register demo
- TCP/IP stack
- PS/2 firmware driver
- RFID CRX14 driver
- RFID manager
- Smartcard manager for reader and writer
- Fidelity card demo
|
功能框图
 |
STR710FZ2 订购信息
| 订购型号 |
产品状态 |
美金价格 |
数量 |
封装 |
包装形式 |
温度范围 |
材料声明 |
| STR710FZ2H6 |
Active |
|
|
LFBGA 144 10x10x1.7 |
Tray |
-40 °C-85 °C |
STR710FZ2H6 |
| STR710FZ2T6 |
Active |
|
|
LQFP 144 20x20x1.4 |
Tray |
-40 °C-85 °C |
STR710FZ2T6 |
DATASHEET
| 描述 |
版本 |
大小 |
| STR710FZ2 : DS3802: ARM7TDMI™ 32-bit MCU with Flash, USB, CAN, 5 timers, ADC, 10 communications interfaces |
12 |
1729KB |
APPLICATION NOTES
| 描述 |
版本 |
大小 |
| AN2282: TCP/IP over Ethernet connectivity with STR710 |
1 |
159KB |
| AN2078: STR7 In-Application Programming using UART |
3 |
151KB |
| AN1797: STR71x UART communication with a PC using RS232 |
2 |
78KB |
| AN1774: STR71x software development getting started |
2 |
100KB |
| AN1780: STR71x real time clock application example |
2 |
119KB |
| AN2100: STR71x microcontroller power management |
2 |
290KB |
| AN1777: STR71x memory mapping and development toolset |
1 |
77KB |
| AN1782: STR71x I²C communication with M24Cxx EEPROM |
2 |
55KB |
| AN1775: STR71x hardware development getting started |
3 |
309KB |
| AN1799: STR71x GPIO scanning a 4x4 matrix keypad |
2 |
104KB |
| AN1781: STR71x GPIO driving four 7-segment display |
2 |
109KB |
| AN2146: STR71xF Embedded Flash Programming with ADS |
1 |
196KB |
| AN2046: STR71x clock configurations easy setup |
2 |
439KB |
| AN1800: STR71x BSPI used as a UART |
3 |
69KB |
| AN1810: STR71x BSPI communication with M25P10-A Serial Flash |
2 |
102KB |
| AN1809: STR71x ADC driving an analog keyboard |
2 |
109KB |
| AN2639: Soldering recommendations and package information for Lead-free ECOPACK® microcontrollers |
2 |
209KB |
| AN2284: Smart Card Interface with the STR71xx |
1 |
261KB |
| AN2399: RFID library for SR176 tag management with STR71x |
1 |
455KB |
| AN2441: Low cost effective oscillator for STR71x MCUs |
1 |
251KB |
| AN1776: Interrupt handling for STR7 microcontrollers |
2 |
79KB |
| AN1798: How to use the STR71x A/D converter and apply a conversion speed-up technique |
3 |
194KB |
| AN2099: Guidelines for connecting via JTAG protocol to the STR71x microcontroller |
1 |
114KB |
| AN2119: Getting Started with uClinux for STR71x |
1 |
929KB |
| AN1709: EMC design guide for ST microcontrollers |
1 |
657KB |
| AN1181: Electrostatic discharge sensitivity measurement |
1 |
59KB |
| AN2077: EEPROM emulation with STR71x |
2 |
232KB |
PROGRAMMING MANUALS
USER MANUALS
| 描述 |
版本 |
大小 |
| UM0116: STR7 family Flash programming |
4 |
364KB |
| UM0097: STR71x firmware library |
3 |
3183KB |
| UM0412: Getting started with DfuSe USB device firmware upgrade STMicroelectronics extension |
4 |
465KB |
LICENSE AGREEMENTS
BOARDS AND TOOLS
| 型号 |
描述 |
| RVDK |
ARM RealView Developer Kit for ST includes integrated development envirronment, debug interface, RealView Compilation Tools and |
| STX-PRO/RAIS |
Unlimited in-circuit debugging/programming tool for STM32, STR7 and STR9 |
| STR7-SK/RAIS |
Raisonance REva starter kit for STR7 microcontroller with RLink in-circuit debugger/programmer (USB host interface) |
| STX-RLINK |
In-circuit debugger/programmer supporting JTAG and ICC protocols for STM8, ST7, uPSD, STM32, STR7 and STR9 microcontrollers |
| AI-JTAG/OPTO |
Opto-isolation board for galvanic isolation for use between applications and development tools using a 20-pin JTAG connection |
| STR7-SK/IAR |
IAR starter kit for STR7 ARM7 MCUs |
DEVICE PROGRAMMERS
SW DEMOS
FIRMWARE