STR731FV2 32-BIT ARM7 FLASH MICROCONTROLLER WITH 3x CAN, 4 UARTs, 20 TIMERS, ADC, 12 COMM. INTERFACES
ARMcore with embedded Flash & RAM
STR73xF family combines the high performance ARM7TDMI™ CPU with an extensive range of peripheral functions and enhanced I/O capabilities. All devices have on-chip high-speed single voltage Flash memory and high-speed RAM. The STR73xF family has anembedded ARM core and is therefore compatible with all ARM tools and software.
Extensive tools support
STMicroelectronics’ 32-bit, ARM core-based microcontrollers are supported by a complete range of high-end and low-cost development tools to meet the needs of application developers. This extensive line of hardware/software tools includes starter kits and complete development packages all tailored for ST’s ARM core-based MCUs.
The range of development packages includes third-party solutions that come complete with a graphical development environment and an in-circuit emulator/programmer featuring a JTAG application interface. These support a range of embedded operating systems (OS), while several royalty-free OSs are also available.
For more information, please refer to ST MCU site http://www.st.com/mcu
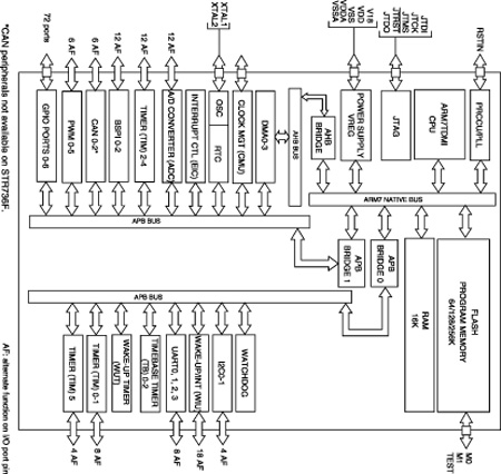
Figure 1 shows the general block diagram of the device family
技术特性
- Core
- Memories
- Up to 256 Kbytes Flash program memory (10,000 cycles endurance, data retention 20 years @ 85˚ C)
- Clock, reset and supply management
- 4.5 - 5.5V application supply and I/Os
- Embedded 1.8V regulator for core supply
- Embedded oscillator running from external 4-8MHz crystal or ceramic resonator
- Up to 36 MHz CPU frequency with internal PLL
- 32 kHz or 2 MHz internal RC oscillator, software configurable for fast startup and backup clock
- Real-time clock for clock-calendar function
- Wake-up timer driven by internal RC for wake-up from STOP mode
- 5 power saving modes: SLOW, WFI, LPWFI, STOP and HALT modes
- Nested interrupt controller
- Fast interrupt handling with multiple vectors
- 64 maskable IRQs with 64 vectors and 16 priority levels
- 16 external interrupts, up to 32 wake-up lines
- Up to 112 I/O ports
- 72/112 multifunctional bidirectional I/Os
- DMA
- 4 DMA controllers with 4 channels each
- Timers
- 16-bit watchdog timer (WDG)
- 6/10 16-bit timers (TIM) each with: 2 input captures, 2 output compares, PWM and pulse counter modes
- 6 16-bit PWM modules (PWM)
- 3 16-bit timebase timers with 8-bit prescalers
- 12 communications interfaces
- 4 UART asynchronous serial interfaces
- 3 BSPI synchronous serial interfaces
- Up to 3 CAN interfaces (2.0B Active)
- 10-bit A/D converter
- Conversion time: min. 3μs, range: 0 to 5V
- Development tools support
|
功能框图
 |
STR731FV2 订购信息
| 订购型号 |
产品状态 |
美金价格 |
数量 |
封装 |
包装形式 |
温度范围 |
材料声明 |
| STR731FV2T6 |
Active |
|
|
LQFP 100 14x14x1.4 |
Tray |
-40 °C-85 °C |
STR731FV2T6 |
| STR731FV2T7 |
Active |
|
|
LQFP 100 14x14x1.4 |
Tray |
-40 °C-105 °C |
STR731FV2T7 |
DATASHEET
| 描述 |
版本 |
大小 |
| STR731FV2 : DS4420: ARM7TDMI™ 32-bit MCU with Flash, 3x CAN, 4 UARTs, 20 timers, ADC, 12 comm. interfaces |
7 |
1174KB |
APPLICATION NOTES
| 描述 |
版本 |
大小 |
| AN2260: STR73x SystemMemory boot mode |
1 |
88KB |
| AN2202: STR73x microcontroller power management |
2 |
151KB |
| AN2156: STR73x Family STR73x Hardware Getting Started |
1 |
254KB |
| AN2639: Soldering recommendations and package information for Lead-free ECOPACK® microcontrollers |
2 |
209KB |
| AN1709: EMC design guide for ST microcontrollers |
1 |
657KB |
| AN1181: Electrostatic discharge sensitivity measurement |
1 |
59KB |
PROGRAMMING MANUALS
USER MANUALS
| 描述 |
版本 |
大小 |
| UM0168: STR7 family STR73x software library |
1 |
1581KB |
| UM0167: STR7 family STR73x demonstration software |
1 |
203KB |
| UM0116: STR7 family Flash programming |
4 |
364KB |
| UM0193: Getting Started with the ARMIC30 Evaluation Board (ARM Core-based Industrial Controller using STR730 MCU) |
2 |
745KB |
LICENSE AGREEMENTS
BOARDS AND TOOLS
| 型号 |
描述 |
| STR7-D/RAIS |
Daughter board for REva starter kit with device. |
| RVDK |
ARM RealView Developer Kit for ST includes integrated development envirronment, debug interface, RealView Compilation Tools and |
| STX-PRO/RAIS |
Unlimited in-circuit debugging/programming tool for STM32, STR7 and STR9 |
| STR7-SK/RAIS |
Raisonance REva starter kit for STR7 microcontroller with RLink in-circuit debugger/programmer (USB host interface) |
| STX-RLINK |
In-circuit debugger/programmer supporting JTAG and ICC protocols for STM8, ST7, uPSD, STM32, STR7 and STR9 microcontrollers |
| AI-JTAG/OPTO |
Opto-isolation board for galvanic isolation for use between applications and development tools using a 20-pin JTAG connection |
DEVICE PROGRAMMERS
SW DEMOS
FIRMWARE